首页
财务会计
医药卫生
金融经济
考公考编
外语考试
学历提升
职称考试
建筑工程
IT考试
其他
登录
财务会计
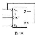
触发器D如图20所示,可以判定触发器的状态是( )。
触发器D如图20所示,可以判定触发器的状态是( )。
昕玥
2019-12-17
2
问题
触发器D如图20所示,可以判定触发器的状态是( )。
选项
A、不变B、置1C、计数D、置0
答案
C
解析
D的输入总是与输出状态相反,时钟脉冲过后,输出变成原相反状态,所以是计数
转载请注明原文地址:https://ti.zuoweng.com/ti/1W8sKKKQ
相关试题推荐
下列有关药物在滴丸基质中分散状态的叙述,错误的是
药物以分子、胶态、微晶或无定形状态均匀分散在某一固态载体物质中所形成的分散体系是
癫痫的药物治疗癫痫持续状态首选
如图所示,立方体上叠加圆柱体在打通一个圆柱孔,然后从任意面剖开,下面哪一项不可能
均质细直杆OA长为ι,质量为m,A端固结一质量为m的小球(不计尺寸),如图所示。
退休目标是指人们所追求的退休之后的-种生活状态。确定退休目标需要客户决定( )
关于关注自身礼仪和工作状态的说法,下列错误的是( )
艺术品市场的分割状态严重,地域不同,艺术品价值有很大差异。艺术品投资与个人的偏好
某预制的钢筋混凝土简支空心板,截面形状尺寸如图所示。混凝土强度等级为C30,钢筋
某一设有吊车的钢筋混凝土单层厂房,下柱长He=11.5m。上下柱的截面尺寸如图
随机试题
以出让方式取得建设用地使用权的房屋开发项目,实际投入开发建设的资金额与交纳的地价
小明痴迷网络游戏,父亲严控制他的上网时间,为电脑设置密码,小明趁父亲不在家,打开
D
商业汇票的付款期限由交易双方商定,最长不得超过()个月。
企业晋升计划的内容一般由()等指标组成。
关于全口义齿平面位置测定下列哪一项是错误的()A.与瞳孔连线平行B.与鼻翼耳屏连线平行C.与下颌两侧牙槽嵴平行D.平分颌间距离E.在上唇下缘以下2
说明乙肝病毒有复制的指标是 A.HBsAg(+)、HBeAg(-)、抗HBc(+) B.HBsAg(-)、抗HB.s(+)、抗HBc(+)...
基坑验槽方法通常主要采用( )为主。A.观察法B.轻型动力触探C.钎探法D.经验法
社会工作者小王最近在学校里为部分学生开展青春期教育小组,教育小组的宗旨是()。A:发挥自己的潜能B:相互理解、相互支持C:学习新知识,改变原来不正确的看法和
柴某见好友赵某学习认真,决定赠与其笔记本电脑一台。在使用过程中,该笔记本因电池故障损坏,赵某将其送往王某的维修店修理。 、若柴某和赵某二人存在()的约...