首页
财务会计
医药卫生
金融经济
考公考编
外语考试
学历提升
职称考试
建筑工程
IT考试
其他
登录
财务会计
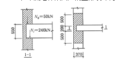
某窗间墙尺寸为1200mm×370mm,如图4-2所示,采用MU10砖和M2.5
某窗间墙尺寸为1200mm×370mm,如图4-2所示,采用MU10砖和M2.5
昕玥
2019-12-17
14
问题
某窗间墙尺寸为1200mm×370mm,如图4-2所示,采用MU10砖和M2.5的混合砂浆砌筑。已知大梁截面尺寸为b×h=200mm×550mm,跨度5m,支承长度a=240mm,梁端荷载设计值产生的支承压力付Nl=240kN,梁底墙体截面处的上部设计荷载为N0=50kN。
选项
A..275B..245C..215D..185
答案
C
解析
[img]/upload/tiku/213/6911662_1.gif[/img]
转载请注明原文地址:https://ti.zuoweng.com/ti/1k8sKKKQ
相关试题推荐
如图所示,立方体上叠加圆柱体在打通一个圆柱孔,然后从任意面剖开,下面哪一项不可能
当构件截面尺寸和材料强度相同时,钢筋混凝土受弯构件正截面承载力Mu与纵向受拉钢筋
两孔口形状、尺寸相同,一个是自由出流,出流流量为Q;另一个是淹没出流,出流流量为
某预制的钢筋混凝土简支空心板,截面形状尺寸如图所示。混凝土强度等级为C30,钢筋
某钢筋混凝土矩形截面梁,截面尺寸为500mm×500mm,计算跨度l0为6.3m
一钢筋混凝土单层工业厂房边柱,下柱为工字形截面,截面尺寸如图所示,下柱高为7.2
某一设有吊车的钢筋混凝土单层厂房,下柱长He=11.5m。上下柱的截面尺寸如图
某预制的钢筋混凝土简支空心板,截面形状尺寸如图所示。混凝土强度等级为C30,钢筋
若已知次梁的计算跨度l0=6m,间距为2.4m,净距sn=2.2m,如图
有一无吊车工业厂房,采用刚性屋盖,其铰接排架结构计算简图如图所示。结构安全等级为
随机试题
(127-131题共用备选答案) A.口角炎 B.脚气病 C.凝血时间延长
海藻、昆布功效的共同点是()
患者,女,30岁,右上4残冠,已行根管治疗。
为了准备接案,社会工作者除了需要了解服务对象的来源、类型外,还要了解他们的(
在建设项目环境风险评价中,识别重大危险源需根据功能单元的()。 A.危险物
AA BB CC DD
适宜餐后服用的药品有
下列活动中,合资、合作测绘可以从事的活动是()
患者静脉注射青霉素后9天,出现皮肤瘙痒、荨麻疹、腹部疼痛,体温38.5°C,关节疼痛,全身淋巴结肿大,考虑病人出现A.皮肤过敏反应B.类风湿,与注射青霉
下列各项中,应当按照工资、薪金所得项目征收个人所得税的有( )。 A.劳动分红B.独生子女补贴C.差旅费津贴D.超过规定标准的误餐费