首页
财务会计
医药卫生
金融经济
考公考编
外语考试
学历提升
职称考试
建筑工程
IT考试
其他
登录
财务会计
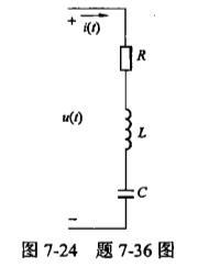
如图7-24所示电路中,在工频电压u(t)的激励下,电路的阻抗等于()。
如图7-24所示电路中,在工频电压u(t)的激励下,电路的阻抗等于()。
Freeti
2019-12-17
0
问题
如图7-24所示电路中,在工频电压u(t)的激励下,电路的阻抗等于()。
选项
答案
C
解析
正确答案是C。[img]/upload/tiku/36/2206012_1.jpg[/img]
转载请注明原文地址:https://ti.zuoweng.com/ti/fooNKKKQ
相关试题推荐
γφ有一墙背直立的重力式挡土墙,墙后填土由上下两层土组成,如图所示γ、c、φ分别
根据我国地震发生频率的统计分析,得出的50年内地震烈度概率密度曲线如图所示。下列
洞室顶拱部位有如图所示的被裂隙围限的四个区,请指出下列选项中哪一个区有可能是不稳
在某水库库区内,如图所示有一个结构面方向与坡面方向一致的岩石岸坡,岩石为夹有饱和
如图所示。建筑物的沉降一般是以下列哪个选项的变形为主() A.建筑物荷载引
在外墙面垂直的自身稳定的挡土墙面外10cm,加作了一护面层,如图所示,当护面向外
在其他条件相同的情况下,对于如图所示地下连续墙支护的A,B,C,D四种平面形状基
建筑物的局部剖面图,如图所示。室外地坪填土是在结构封顶以后进行的,在下列计算中,
一断层断面如图所示,问下列哪个选项中的线段长度为断层的地层断距? (A)线
用砂性土填筑的路堤,如图6-4所示,高度为3.0m,顶宽26m,坡率1:1.5,
随机试题
(50-51题共用备选答案) A.既能发汗解表,又能利水消肿 B.既能发散风
统计行政处罚的种类有( )。 A.警告、罚款、吊销营业执照 B.警告、罚款
同事们在议论领导的缺点,你会() A.不参与议论 B.劝阻同事不要背后议论
具有相同市场价值的房地产,其投资价值因人而异。()
检查阴道毛滴虫敏感性和特异性高,且适合临床常规应用的方法是
热压灭菌法中所用的蒸汽是
患者右上肢深浅感觉减退,实体觉、皮肤定位觉及两点辨别觉明显障碍,并伴有右上肢发作性感觉异常,其病损部位位于A右侧颈髓后根B右侧颈膨大后角C左侧丘脑D
气病导致的气血同病有A:气血两虚证B:气滞血瘀证C:气随血脱证D:气不摄血证E:气虚血瘀证
中国古代筑城中的“形胜”思想,准确的意思是()A:等级分明的布局结构B:“象天法地”的神秘主义C:中轴对称的皇权思想与自然的结合D:早期的城市功能分区
共用题干 李先生参加了X市的住房公积金制度,打算购买一套价值50万元的自住普通住房。首付房款为房价的30%。先生打算申请个人住房公积金贷款,根据X市的相...