首页
财务会计
医药卫生
金融经济
考公考编
外语考试
学历提升
职称考试
建筑工程
IT考试
其他
登录
财务会计
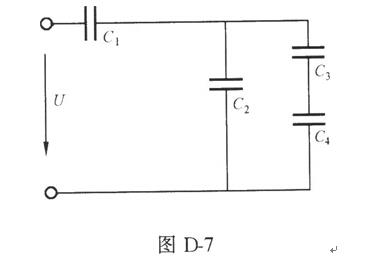
图D-7所示电路中,已知Cl=1μF,C2=3μF,C3=6μF,C4=2μF,
图D-7所示电路中,已知Cl=1μF,C2=3μF,C3=6μF,C4=2μF,
tikufree
2019-12-17
4
问题
图D-7所示电路中,已知Cl=1μF,C2=3μF,C3=6μF,C4=2μF,各电容器原不带电,求加上电压 U=100V后各电容器上的电压。
选项
答案
解析
解:设各电容器的电压为U1、U2、U3、U4、U5,电容 C3、C4串联,再与C2并联后的等效电容C5=C3×C4/(C3+C4)+C2 =6×2/(6+2)+3=9/2(μF)C1/C5=U5/U1 U1+U2=100 将Cl、C5数值代入,解联立方程得 U1=81.8(V)U5=U2=18.2(V) C3/C4=U4/U3 U3+U4=U2=18.2 将C3、C4数值代入,解联立方程得 U3=4.55(V) U4=13.65(V) 答:Cl、C2、C3、C4、C5上的电压分别为81.8V、18.2V、4.55V、13.65V和18.2V。变电运行扣扣QUN 414843192
转载请注明原文地址:https://ti.zuoweng.com/ti/9l6NKKKQ
相关试题推荐
分析和计算复杂电路的基本依据是()。 (A)欧姆定律; (B)克希荷夫
串联谐振的电路的特征是()。 (A)电路阻抗最小(Z=R),电压一定时电流
两只额定电压相同的电阻.串联接在电路中则阻值较大的电阻()。 (A
用节点电压法求解电路时,应首先列出()独立方程。 (A)比节点少一个的;
由铁磁材料构成的磁通集中通过的路径称为()。 (A)电路;(B)磁链;(C
凡是不能应用()简化为无分支电路的电路。便是复杂直流电路。 (A)
在正弦交流纯电容电路中。下列各式,哪个正确()。 (A)I=UωC
RL串联与c并联电路发生谐振的条件是()。 (A)ωL=1/(ωC);
并联电阻电路中的总电流等于各支路()。 (A)电流的和;(B)
叠加定理适用于复杂电路中的()。 (A)电路中的电压电流; (B)线
随机试题
下列不属于根治性放射治疗的是 A.治疗后渴望获得长期生存 B.给予根治剂量的
欧式期权定价模型出现在()。
贷款审批人依据银行个人汽车贷款管理办法及相关规定,结合国家宏观调控政策,从银行利
甲以出卖为目的,将独自玩耍的4岁孩子乙骗到自己家中,后因找不到买主又主动将乙送同
下列关于W公司收入确认的表述中,注册会计师认为正确的有( )。
一般来说,预期投资回报率的设定与客户的年龄、学历、风险偏好、对投资工具的认识、风
下列哪项不属于非语言交流
中国历史上第一个统一的多民族中央集权国家的都城是()。
下列关于记账凭证账务处理程序的表述中,不正确的有()。
一般资料:求助者,女性,48岁,某公司副经理。下面是心理咨询师与求助者的一段咨询对话:心理咨询师:您好!您希望在哪些方面得到我的帮助呢?求助者:我最近一段...