首页
财务会计
医药卫生
金融经济
考公考编
外语考试
学历提升
职称考试
建筑工程
IT考试
其他
登录
财务会计
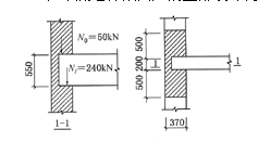
某窗间墙尺寸为1200mm×370mm,如图4-2所示,采用MU10砖和M2.5
某窗间墙尺寸为1200mm×370mm,如图4-2所示,采用MU10砖和M2.5
免费考试题库
2019-12-17
0
问题
某窗间墙尺寸为1200mm×370mm,如图4-2所示,采用MU10砖和M2.5的混合砂浆砌筑。已知大梁截面尺寸为b×h=200mm×550mm,跨度5m,支承长度a=240mm,梁端荷载设计值产生的支承压力付Nl=240kN,梁底墙体截面处的上部设计荷载为N0=50kN。
当窗间墙采用MU10烧结黏土砖、M5水泥砂浆砌筑时,梁端下砌体的局部受压承载力计算式(ψN0+Nl≤ηγfAl)与下列( )项相接近。
选项
A..100kN>95.7kNB..100kN>89.4kNC..250kN>95.7kND..250kN>89.4kN
答案
B
解析
[img]/upload/tiku/213/9404637_1.gif[/img]
转载请注明原文地址:https://ti.zuoweng.com/ti/Cet9KKKQ
相关试题推荐
工程测量记录是在施工过程中形成的确保建设工程定位、尺寸、标高、位置和沉降量等满足
按照归档文件的质量要求,竣工图章尺寸为()。
按照文明工地标准,严格按照相关文件规定的尺寸和规格制作各类工程标志牌。“五牌一图
按照文明工地标准,严格按照相关文件规定的尺寸和规格制作各类工程标志牌,“五牌一图
施工现场文明施工要求工地按照相关文件规定的尺寸和规格制作的“五牌一图”包括()等
某一结构构件截面尺寸不足,影响承载力,但按实际情况进行复核验算后仍能满足设计要求
施工现场文明施工要求工地按照相关文件规定的尺寸和规格制作的“五牌一图”,不包括(
施工现场文明施工要求工地按照相关文件规定的尺寸和规格制作“五牌一图”,下列不属于
某双代号网络计划如图所示(时间单位:d),则该计划的关键线路是()。
某工程双代号网络计划图如图所示(时间单位:天),则该计划的关键线路是()。
随机试题
以下不属于房屋继承和遗赠的产权登记需要的程序的是( )。 A、办理继承权公证
以下不属于早期矫治的有利因素的是 A.错畸形复发的可能性小 B.利用生长发
根据世界银行对工程项目总建设成本的规定,下列费用应计入项目间接建设成本的是()
小脑齿状核发出纤维到达()
教育观中最核心、最本质的内容是( )。
某基础工程可划分为基坑开挖、混凝土垫层、砌基础、回填土四个施工过程。在施工中分三
科学合理的基金分类()。 A.有助于投资者加深对各种基金的认识 B.有助于
患者,诊断为慢性痢疾,医嘱需要灌入药物进行治疗。 该病人应采取正确卧位是A.平卧位B.侧卧位C.左侧卧位D.右侧卧位E.截石位
人防工程内严禁存放液化石油气钢瓶,并不得使用液化石油气和闪点小于()的液体作燃料。A.28℃B.60℃C.80℃D.100℃
下列有关处置子公司股权投资直至丧失控制权的各项交易属于一揽子交易的表述中,正确的有 ()。A.应当将各项交易作为一项处置子公司并丧失控制权的交易进行会计处理