首页
财务会计
医药卫生
金融经济
考公考编
外语考试
学历提升
职称考试
建筑工程
IT考试
其他
登录
财务会计
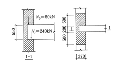
某窗间墙尺寸为1200mm×370mm,如图4-2所示,采用MU10砖和M2.5
某窗间墙尺寸为1200mm×370mm,如图4-2所示,采用MU10砖和M2.5
题库总管
2019-12-17
11
问题
某窗间墙尺寸为1200mm×370mm,如图4-2所示,采用MU10砖和M2.5的混合砂浆砌筑。已知大梁截面尺寸为b×h=200mm×550mm,跨度5m,支承长度a=240mm,梁端荷载设计值产生的支承压力付Nl=240kN,梁底墙体截面处的上部设计荷载为N0=50kN。
试确定池壁的受剪承载力验算公式(V≤bzfv左、右两项最接近于( )。
选项
A..7.2kN<44.4kNB..8.64kN<44.4kNC..8.64kN<49.3kND..8.64kN<55.5kN
答案
B
解析
[img]/upload/tiku/214/6911373_1.gif[/img]
转载请注明原文地址:https://ti.zuoweng.com/ti/H38sKKKQ
相关试题推荐
两孔口形状、尺寸相同,一个是自由出流,出流流量为Q;另一个是淹没出流,出流流量为
某预制的钢筋混凝土简支空心板,截面形状尺寸如图所示。混凝土强度等级为C30,钢筋
某一设有吊车的钢筋混凝土单层厂房,下柱长He=11.5m。上下柱的截面尺寸如图
支承屋面梁的柱牛腿,如图所示,宽度b=400mm,屋架在牛腿上的支承长度为200
一钢筋混凝土单层工业厂房边柱,下柱为工字形截面,截面尺寸如图所示,下柱高为7.2
某一设有吊车的钢筋混凝土单层厂房,下柱长He=11.5m。上下柱的截面尺寸如图
一钢筋混凝土单层工业厂房边柱,下柱为工字形截面,截面尺寸如图所示,下柱高为7.2
一钢筋混凝土单层工业厂房边柱,下柱为工字形截面,截面尺寸如图所示,下柱高为7.2
钢筋混凝土T形截面构件如图所示,b=250mm,h=500rmn,b\'f=400
若已知次梁的计算跨度l0=6m,间距为2.4m,净距sn=2.2m,如图
随机试题
脏腑功能失常导致妇科疾病与下列哪项关系最密切 A.心、肝、肾 B.心、脾、肾
关于福辛普利性质的说法,正确的有()。
案例一: 一般资料:求助者,女性,26岁,未婚,硕士学历,公司职员。 案例介
“教育有法可依,但无定法可抄”,这说明教师劳动具有( )。 A.情境性
DD本题考查是对图形中的俯视图和侧视图,第一段的图形中的第二幅图是第一幅的俯视图,第三幅是第一幅的侧视图,按照上述规律,因此,得出本题答案D
公开市场业务的优点有()。
最能体现不伤害原则的是A.医生为患者提供完全、真实的信息,供其选择表态B.医生使用艾滋病患者病情资料时,应作隐去姓名等处理C.医生为患者选用疗效相当但价格低
我国小学低年级开设的《品德与生活》在课程性质上属于( )。A.活动型综合课程B.校本课程C.分科课程D.综合实践活动课程
新生儿,诊断为单侧完全性唇裂合并单侧完全性腭裂,同时伴有鼻部畸形。 何时进行语音治疗A.2岁B.3岁C.4岁D.患儿能与医师配合时E.患儿上小学
在缴纳土地增值税时,纳税人隐瞒、虚报房地产价格的,则应当()。A.处以警告B.处以一万元以下罚款C.按房地产评估价格计算征收土地增值税D.情节严重的,