首页
财务会计
医药卫生
金融经济
考公考编
外语考试
学历提升
职称考试
建筑工程
IT考试
其他
登录
财务会计
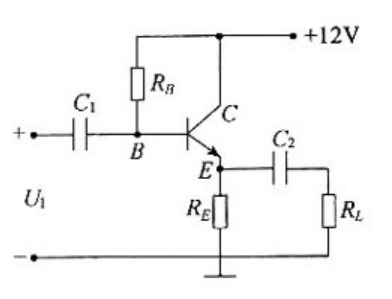
图示射极输出单管放大电路,已知RB=200kΩ、RL=10kΩ,晶体三极管β=6
图示射极输出单管放大电路,已知RB=200kΩ、RL=10kΩ,晶体三极管β=6
题库总管
2019-12-17
6
问题
图示射极输出单管放大电路,已知RB=200kΩ、RL=10kΩ,晶体三极管β=60,交流输入电阻γbe≈1kΩ。求所示单管放大电路的电压放大倍数
及放大电路的输入电阻Ri分别为( )。
选项
答案
B
解析
根据射极输出单管放大电路,R'L=RE∥RL
转载请注明原文地址:https://ti.zuoweng.com/ti/K98sKKKQ
相关试题推荐
D由逻辑电路的基本关系变换可得结果,变换中用到了逻辑电路的摩根定理。 ?
如图26所示电路为电压比较器,它的输入输出传输特性应该是图()。
如图25所示三极管放大电路的输入电阻是:()。
如图24所示电路中,输入信号脉冲宽度tp=1ms,其中符合微分电路条件者为()
如图22所示电路中,当负载RL获得最大功率时,RL=()。
接有电容滤波器的桥式整流电路如图所示。已知u(f)=35.4sin314tV,直
电路如图所示,电容初始电压为零,开关在t=0时闭合,则t≥0时u(t)为(
电路如图所示,能够实现u0=-ui运算关系的电路是()。
在图示电路中,将开关S断开时,电压Uab等于()V。
电路如图所示,设DA、DB为理想二极管,当VA=3V,VB=6V时,I等于(
随机试题
移植物急性细胞排斥反应损伤机制中最主要的是 A.NK活化后杀伤的作用 B.T
动物诊疗机构发现动物染疫或者疑似染疫的,应当按照国家规定立即向当地()报告,并采
成人胸外心脏按压时,胸骨下陷深度正确的是
下列几种情况中,需采取紧缩性政策的是()。
下列属于同业拆借市场特点的是()。A.是在有担保条件下进行的资金与信用的直接交换,要求拆借主体具有较低的信用等级B.是在无担保条件下进行的资金与信用的直接交
现代医学的治疗方法包括()A.药物治疗B.物理治疗C.介入治疗D.心理治疗E.生活方式干预治疗
危险化学物品如果储存不当,往往会酿成严重的事故,因此要防止不同性质物品在储存中相互接触而引起火灾和爆炸。下列物品中,共存错误的有()。A.爆炸物品与惰性气体
通用知识:列车操纵示意图是指以()为依据。A.《列车牵引计算规程》B.列车运行图C.《操规》D.《技规》
慢性肾小球肾炎的表现不包括A.高血压B.镜下血尿C.蛋白尿D.镜下脓尿E.水肿
2020年4月,由于生产技术更新,甲公司将一条生产线进行更新改造,并替换了生产线上的一项设备。该生产线为2016年4月购入,原值200万元,预计使用年限1...