首页
财务会计
医药卫生
金融经济
考公考编
外语考试
学历提升
职称考试
建筑工程
IT考试
其他
登录
建筑工程
V A. 1 B.3 C. 10 D. 12
V A. 1 B.3 C. 10 D. 12
admin
2020-12-24
12
问题
V
选项
A. 1
B.3
C. 10
D. 12
答案
A
解析
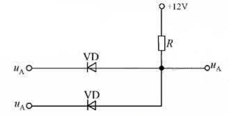
与UA相连的二极管承受的正向电压比与相连的二极管大,因此与UB相连的二极管先导通,则UA被限制在IV,则与UB相连的二极管截止。
转载请注明原文地址:https://ti.zuoweng.com/ti/Pl60KKKQ
相关试题推荐
一定量理想气体,从状态A开始,分别经历等压、等温、绝热三种过程(AB、AC、AD),其容积由V1都膨胀到2V1,其中()。A.气体内能增加的是等压过程,气体
下面的四个IP地址,属于C类地址的是()。A.10.10.15.168B.168.10.1.1C.224.1.0.2D.202.118.130.80
Windows中,将文件移入“回收站”,意味着()。A.文件真正被删除,不能再恢复B.文件没有被真正删除,可以直接应用C.文件没有被真正删除,不可以直接应用
如图5-53所示应力状态,用第四强度理论校核时,其相当应力为()。
某项目建设工期为两年,第一年投资200万元,第二年投资300万元,投产后每年净现金流量为150万元,项目计算期为10年,基准收益率10%,则此项目的财务...
参数方程确定了y是x的函数,且f,(t)存在,f(0)=2,f,(0)=2,则当t=0时,dy/dx的值等于()。A.4/3B.-4/3C.
电路如图7-4所示,已知I=1A,Us为()V。 A.-1B.-3C.2.4D.4
财务生存能力分析中,财务生存的必要条件是()。A.拥有足够的经营净现金流量B.各年累计盈余资金不出现负值C.适度的资产负债率D.项目资本金净利润率高于同
如图6-5所示,垂直放置的矩形平板挡水,水深3m,静水总压力P的作用点到水面的距离yD为()m。 A.1.25B.1.5C.2D.2.5
若级数收敛,则下列级数中不收敛的是()。
随机试题
急性感染性心内膜炎最常见的致病菌是 A.金黄色葡萄球菌 B.草绿色链球菌
人参入汤剂的用法是 A、先煎 B、后下 C、包煎 D、另煎 E
在进行质量管理体系审核的内部审核中,在正式运行阶段,重点审核( )。
理想气体在如图2所示的循环中,已知Ta、Tb、Tc、Td和,其效率η为()。
企业制定员工培训规划的基本前提是( )。
关于烧结砖,下列说法错误的是()。
脾胃湿热证可见
可出现震颤的收缩期杂音的强度是A1级B2级C3级D4级E以上都不对
不同类别期货公司应当按照()对应的分类计算系数乘以基准比例计算风险资本准备。A.近一年内最高分类评价结果B.行业内平均分类评价结果C.最近一期分类评价结果
下列说法正确的有()。A.持有并准备增值后转让的土地使用权属于投资性房地产B.用于出租的土地使用权是指企业通过出让或者转让方式取得的土地使用权C.不能