首页
财务会计
医药卫生
金融经济
考公考编
外语考试
学历提升
职称考试
建筑工程
IT考试
其他
登录
财务会计
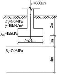
某柱下独立基础的底面尺寸为1.6m×2.4m。上部结构传至基础顶面的荷载准永久组
某柱下独立基础的底面尺寸为1.6m×2.4m。上部结构传至基础顶面的荷载准永久组
tikufree
2019-12-17
6
问题
某柱下独立基础的底面尺寸为1.6m×2.4m。上部结构传至基础顶面的荷载准永久组合值Fk=600kN,基础埋深d=2.0m,其余如图所示。
1.确定地基变形计算深度zn最接近于( )m。
选项
A. 3.70 B. 3.90 C. 4.12 D. 5.20
答案
A
解析
根据《建筑地基基础设计规范》(GB 50007—2011)第5.3.8条规定,当无相邻荷载影响,基础宽度在1m~30m范围内时,基础中点的地基变形计算深度也可按下列简化公式计算:zn=b(2.5-0.4lnb)=1.6×(2.5-0.4ln1.6)=3.70m;在计算深度范围内存在基岩时,zn可取至基岩表面;当存在较厚的坚硬黏性土层,其孔隙比小于0.5、压缩模量大于50MPa,或存在较厚的密实砂卵石层,其压缩模量大于80MPa时,zn可取至该层土表面。故地基变形计算深度为3.70m。由此可知,A项数值最为接近。
转载请注明原文地址:https://ti.zuoweng.com/ti/QKt9KKKQ
相关试题推荐
水处理构筑物和泵房多数采用地下或半地下钢筋混凝土结构,不属于其特点的是()。
在下列结构形式中,属于水处理构筑物常用结构的是()。
将结构断面分成两个部分,即上下两个工作面,分步开挖的浅埋暗挖施工方法称为()。
城市轨道交通区间结构断面形状可以分为()。
按上部结构的行车道位置分,梁式桥通常属于()桥。
有围护结构基坑的围护结构又分为不同类型,包括()。
悬臂浇筑用挂篮结构中,安全系数不得小于2的有()。
钢筋混凝土结构所用钢筋的()等均应符合设计要求和现行国家标准。
梁式桥的下部结构是指()。
地铁及轨道工程常见围护结构中,一般采用机械成孔的是()。
随机试题
根据第51题的资料,计算求得该公司复合杠杆系数为()。 A.6.04 B.8
静注时可产生短暂升压作用的抗高血压药是 A、利舍平 B、硝普钠
( )特别适合用于各种复杂、不规则部位的防水。 A、防水涂料 B、防水卷材
川贝母的科属及入药部位为
湖南长沙一罗非鱼养殖场A于2010年9月20日取得出口水产品养殖场备案证明。江西
在公示催告期间,票据不能()。
2016年1月,某房地产开发公司投资开发建设一经济适用住房项目,总投资2亿元,则
患者,男性,42岁。间歇性上腹痛3年,有嗳气、反酸、食欲不振,冬春季节较常发作。近3天来腹痛加剧,且突然呕血400ml。 最适宜采取何种治疗A.禁食B.
明显的阻塞性黄疸,B超检查示肝内胆管扩张、胆总管直径2cm时,比较理想的进一步检查是A.放射性核素胰腺扫描B.十二指肠低张造影C.逆行胰胆管造影(ERCP)
燥咳的特点为A.咳声紧闷B.咳声清脆C.咳声重浊D.咳声低微E.咳声如犬吠