首页
财务会计
医药卫生
金融经济
考公考编
外语考试
学历提升
职称考试
建筑工程
IT考试
其他
登录
财务会计
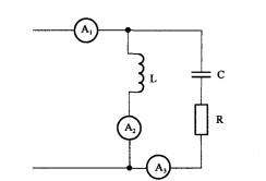
图中正弦电流电路发生谐振时,电流表A2和A3的读数分别为6A和10A,则电流表A
图中正弦电流电路发生谐振时,电流表A2和A3的读数分别为6A和10A,则电流表A
免费考试题库
2019-12-17
11
问题
图中正弦电流电路发生谐振时,电流表A2和A3的读数分别为6A和10A,则电流表A1的读数为()。
选项
答案
C
解析
[img]/upload/tiku/37/2011888_1.jpg[/img]
转载请注明原文地址:https://ti.zuoweng.com/ti/WI9NKKKQ
相关试题推荐
膜电位等于K+平衡电位时 A.Na+通道开放,产生净IVa+内向电流
一般情况下,主动脉脉搏波形图中的降中峡发生在 A.主动脉瓣开启时B.主动脉瓣
儿茶酚胺对心肌生物电活动的作用有 A.加强自律细胞4期内向电流I1B.复极2
在MMPI及MMPI-2剖面图中,两点编码为49/94的受测者可能被诊断为(
在MMPI及MMPI-2剖面图中,两点编码为28/82的受测者可能被诊断为()
MMPI及MMPI-2剖面图中,两点编码为13/31的受测者可能被诊断为()
在MMPI及MMPI-2剖面图中,如果F量表十分高,L及K量表十分低,临床量表
在EPQ的E和N关系图中,外向、情绪不稳定型性格对应的气质类型为()
下列()曲线描述了导体的经济电流密度与最大负荷利用小时数的关系。
下列()为短路发生后的元件电流波形。
随机试题
(4-9题共用题干) 患者,男,22岁,2周前外伤致上前牙两枚缺失。曾于外院行
关于受精卵植入的描述,错误的是()。 A.植入发生在受精后约第6~7天 B.
重型地中海贫血患儿输血宜首选 A.浓缩红细胞 B.少白细胞的红细胞 C.洗
选用《普通住宅小区物业管理服务等级标准》需要考虑的因素有()等。
《招标投标法》的规定,行政法规是由国务院规定,通常由总理签署国务院令公布,一般以
正常男性体细胞染色体的组成是( )。
两岸三地指数覆盖了两岸三地市场75%左右的市值和53%的成交金额,能全面刻画大中
人力资本投资一般发生在()。 A.私人B.政府C.企业D.个人E.投资者
下列属于国际反避税措施的有()。A.禁止设立避税地B.税法的完善C.加强税务管理D.加强国际多边合作E.实施税收饶让制度
只有一种核酸类型的微生物是A.衣原体B.病毒C.支原体D.螺旋体E.真菌