首页
财务会计
医药卫生
金融经济
考公考编
外语考试
学历提升
职称考试
建筑工程
IT考试
其他
登录
财务会计
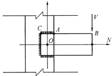
图示弯矩、剪力、轴力共同作用下的连接板焊缝计算的危险点为( )。
图示弯矩、剪力、轴力共同作用下的连接板焊缝计算的危险点为( )。
题库总管
2019-12-17
6
问题
图示弯矩、剪力、轴力共同作用下的连接板焊缝计算的危险点为( )。
选项
A.O点B.A.点C.B.点D.C.点
答案
B
解析
[点评] 本题主要是对课本概念的考察,A选项连接所采用的焊接形式的分类;C选项是施焊位置区分;D项是焊缝按沿长度方向的分布情况来划分的。
转载请注明原文地址:https://ti.zuoweng.com/ti/ZZ8sKKKQ
相关试题推荐
在含有大量金石类药的丸剂中,起赋珏与助消化作用的是
妇炎平胶囊除清热解毒,燥湿止带的作用外,还有
对血栓和纤维蛋白有显著溶解作用的是
活血化瘀药的主要药理作用不正确的是
活血化瘀药丹参改善血液流变学作用的表现,不包括
根据黏附、漂浮或膨胀作用设计的缓释、控释制剂为
以扩散作用为原理的缓释、控释制剂为查看材料
借助油相对药物分子的扩散产生屏障作用而缓释的是
药物在体内经药物代谢酶等作用,发生化学变化的过程为
对药物的释放穿透作用最好的基质是
随机试题
具有活血祛瘀、行气止痛功效的是 A速效救心丸B血府逐瘀口服液
下列关于刑事案件法院之间司法协助叙述正确的是:()
根据《行政复议法实施条例》和《税务行政复议规则》,在复议机关作出复议决定前,申请
(2017年真题)下列设施中,不属于消防车取水用的设施是()。
根据《地下铁道工程施工及验收规范》的有关规定,隧道采用钻爆法施工时,必须事先编
弥漫性硬化性肾小球肾炎A.肾小球新月体形成B.部分肾小球节段性硬化C.大部分肾小球纤维化,小部分肾小球代偿肥大D.肾小球毛细血管壁弥漫性增厚
风险投资的特点是()。A.投资创新企业B.预期回报率低C.收益来自企业分红D.风险低
知识点:小儿收缩压3岁小儿的收缩压为A.80mmHgB.85mmHgC.88mmHgD.86mmHgE.87mmHg
影响营养生理需要量的因素有( )A.年龄B.劳动状态C.性别D.生理特点E.以上全都对
2020年度甲公司(增值税一般纳税人)发生如下交易或事项: (1)1月3日,甲公司出售某办公楼,实际收取款项2092.8万元(含增值税,增值税税率9%)...