首页
财务会计
医药卫生
金融经济
考公考编
外语考试
学历提升
职称考试
建筑工程
IT考试
其他
登录
财务会计
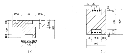
某刚弹性方案单层房屋的组合砖砌体,截面尺寸见图。砖柱高度为5m,砌体采用MU10
某刚弹性方案单层房屋的组合砖砌体,截面尺寸见图。砖柱高度为5m,砌体采用MU10
书海库
2019-12-17
3
问题
某刚弹性方案单层房屋的组合砖砌体,截面尺寸见图。砖柱高度为5m,砌体采用MU10砖、M5混合砂浆,面层混凝土采用C20,钢筋为HPB235,对称配筋,a=a'=35mm。承受轴向力设计值N=470kN,弯矩设计值M=230kN·m。
该柱的Ss(mm3)和Sc,s(mm3)接近下列哪组数据 ( )
选项
A..15750000;49410360B..16750000;48410360C..16750000;50410360D..15750000;50410360
答案
A
解析
[img]/upload/tiku/214/6911304_1.gif[/img]
转载请注明原文地址:https://ti.zuoweng.com/ti/Zu8sKKKQ
相关试题推荐
某市2010年新开工的房屋建筑面积为100万m2,2009年末完工转入2010年
《关于具备房屋功能的地下建筑征收房产税的通知》(财税[2005]181号)规定,
城市房屋拆迁当事人达成拆迁补偿安置协议后,又产生纠纷的,如选择仲裁方式,则()
有关李某房屋装修质量保修,下列说法正确的有()。
房屋、土地、文物艺术品拍卖时通常有保留价。()
房地产面积的测算,包括房屋面积测算和用地面积测算。()
拆迁估价的价值标准是被拆迁房屋的重置价值,不考虑房屋租赁、抵押、查封等因素的影响
拆迁房屋实行行政许可,即房屋拆迁管理部门根据拆迁申请的内容,通过颁发强制证书的形
“强制拆迁”是房屋拆迁过程中达不成拆迁补偿安置协议的时候的一种处理方式。()
理解商品的供给价格弹性系数的要点是()。
随机试题
()反映医疗机构内部资源配置是否合理 A.人均卫生费用 B.专业间费用比例
下列各项中,不属于审计固有限制的来源的是( )。
根据计时观测资料得知:每平方米标准砖墙勾缝时间为10min,辅助工作时间占工序作
婴幼儿大便呈果酱色,伴阵发性哭闹,可能的疾病是
下列各项,不属月经后期虚寒证的主要证候是
法的原则是一项重要的法的要素,具有一定的特点,下列关于其特点的阐述正确的有(
男,52岁,近2个月来大便次数增多,有肛门坠胀感及里急后重,大便变细。常有粘液血便,经抗生素治疗症状可缓解,但不久又复发,且呈进行性加重。首先应进行的检查是A.
私募基金管理人自行销售私募基金的,风险揭示书由()签字确认。A、基金管理人B、基金托管人C、基金投资者D、基金销售机构
患者因股癣前来药店购药,不宜推荐的药物是A.复方苯甲酸软膏B.氢化可的松乳膏C.联苯苄唑乳膏D.酮康唑乳膏E.特比萘芬乳膏
在循环行驶线路上,甩挂运输采用的组织形式是()。A:驮背运输B:载驳运输C:一线两点甩挂运输D:循环甩挂运输