首页
财务会计
医药卫生
金融经济
考公考编
外语考试
学历提升
职称考试
建筑工程
IT考试
其他
登录
财务会计
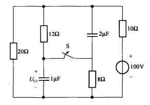
如图所示,电路原已稳定,t=0时断开开关S,则Ucl(0+)为()。 A.
如图所示,电路原已稳定,t=0时断开开关S,则Ucl(0+)为()。 A.
Loveyou
2019-12-17
11
问题
如图所示,电路原已稳定,t=0时断开开关S,则Ucl(0+)为()。
A.10V B.15V C.20V D.25V
选项
答案
C
解析
[img]/upload/tiku/37/2011882_1.jpg[/img]
转载请注明原文地址:https://ti.zuoweng.com/ti/dI9NKKKQ
相关试题推荐
以下关于系统中的断路器与隔离开关描述正确的是()。 (A)断路器与隔离开关均作
一台并励直流电动机,在电枢电路串电阻调速时,如果电源电压不变,励磁不变,负载转矩
SF6全封闭组合电器不包括()。 (A)隔离开关(B)互感器(C)避雷器
断路器开断交流电路的短路故障时,弧隙电压恢复过程与电路的参数等有关,为了把饩有周
基本运算放大器中的\"虚地”概念只在下列哪种电路中存在?(A)比较器(B)差动放
为了稳定输山电压,提髙输入电阻,放大电路应该引入下列哪种负反馈? (A)电压串
C答:本题目考察的是三相电路功率的测量方法。三相电路的功率测量可以分若干种情况,最基本的原理是正弦稳态电路的功率计算。包括有功功率、无功功率、视在功率、功率三
图2-1所示电路中A点的电压uA为下列何值? (A)5V(B)5.
由555定时器构成的多谐振荡器如图所示,已知R1=33kΩ,R2=27kΩ,C=
一放大电路如图所示,当逐渐增大输入电压u1的幅度时,输出电压u0波形首先出现顶部
随机试题
下列关于社会保障的描述正确的是( )。 A、不可预见的事件和该事件所带来的经
苦杏仁与紫苏子除均能止咳平喘外,还均能
矿山总承包三级资质的施工企业,可承包最高等级为()的尾矿库工程。
高校战略规划的核心是()。
外科救治感染性休克时不正确的做法是 A.应用抗菌药物 B.补充血容量 C.
在第三级巴塞尔协议中,新引入的用来反映压力状态下商业银行短期流动性水平的指标是()。A.流动性缺口比率B.净稳定融资比率C.核心负债比例D.流动性覆盖比
患者女,27岁,上前牙牙龈反复出现瘘管1年,经多次搔刮及烧灼瘘管无明显好转。查体见烤瓷全冠修复,唇侧龈方见针尖大小脓点,略红肿,X线片显示根管内冠1/3铸...
该整流变压器注人公共连接点(35kV)的5次谐波电流值约为()。A.6?7A;B8?9A;C.10?11A;D.13?15A。
厂房的最大安全疏散距离正确的是( )。A.一、二级耐火等级甲类生产单层厂房内的最大安全疏散距离为25.0mB.一、二级耐火等级乙类生产多层厂房内的最大安全
南极洲地图一般采用的投影方式为()。A:UTMB:等角方位投影C:等角圆锥投影D:等角圆柱投影