首页
财务会计
医药卫生
金融经济
考公考编
外语考试
学历提升
职称考试
建筑工程
IT考试
其他
登录
财务会计
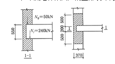
某窗间墙尺寸为1200mm×370mm,如图4-2所示,采用MU10砖和M2.5
某窗间墙尺寸为1200mm×370mm,如图4-2所示,采用MU10砖和M2.5
shuhaiku
2019-12-17
17
问题
某窗间墙尺寸为1200mm×370mm,如图4-2所示,采用MU10砖和M2.5的混合砂浆砌筑。已知大梁截面尺寸为b×h=200mm×550mm,跨度5m,支承长度a=240mm,梁端荷载设计值产生的支承压力付Nl=240kN,梁底墙体截面处的上部设计荷载为N0=50kN。
梁端设有刚性垫块时,则底层顶端的弯矩最接近于( )kN·m。
选项
A..13.6B..14.7C..15.1D..16.5
答案
A
解析
[img]/upload/tiku/213/9404645_1.gif[/img]
转载请注明原文地址:https://ti.zuoweng.com/ti/det9KKKQ
相关试题推荐
钢筋网材料宜采用Q235钢,钢筋直径宜为6~12mm,网格尺寸宜采用(),搭接
工程测量记录是在施工过程中形成的确保建设工程定位、尺寸、标高、位置和沉降量等满足
按照文明工地标准,严格按照相关文件规定的尺寸和规格制作各类工程标志牌,“五牌一图
施工现场文明施工要求工地按照相关文件规定的尺寸和规格制作的“五牌一图”包括()等
某一结构构件截面尺寸不足,影响承载力,但按实际情况进行复核验算后仍能满足设计要求
施工现场文明施工要求工地按照相关文件规定的尺寸和规格制作的“五牌一图”,不包括(
施工现场文明施工要求工地按照相关文件规定的尺寸和规格制作“五牌一图”,下列不属于
按照文明工地标准及相关文件规定的尺寸和规格制作了各类工程标志牌,应当包括工程概况
某建设工程的施工网络计划如图所示(时间单位:天),则该计划的关键线路有()。
饰面砖工程是指内墙饰面砖和高度不大于100m、抗震设防烈度不大于8度、()施工
随机试题
下列关于剪力墙结构体系中悬挑式钢平台设置不符合要求的是()。
新型社会主义民族关系的主要内容是(). A.平等是原则,发展是目的,团结是形式
共用题干 某商品流通企业在开业前要选择本企业经营商品的品种,现有甲、乙、丙、丁
李老师上《校园写生》课时,下列不合适的结课方式是() A.排名打分
对于设备不可消除性的有形磨损,采用的补偿方式是()
以下关于证券公司次级债的说法正确的有( )。 Ⅰ.证券公司次级债券可由具备承销业务资格的其他证券公司承销,也可由证券公司自行销售 Ⅱ.证券公司申请发...
晚间护理的目的是A:提醒陪护人员离开病室B:保持病室美观、整洁C:保持患者清洁舒适D:做好术前准备E:进行卫生宣教
人在生命活动的过程中,气血阴阳是相互关联的。补气药和补阳药,补血药和补阴药常常相须为用。 蛤蚧治疗肺肾两虚,肾不纳气的久咳虚喘,常配伍使用的药物是()。A.西
银行对工程设计方案进行分析和评估,就是要分析工程设计方案是否可靠。()
根据票据法律制度的规定,下列有关汇票出票人记载事项的表述中,可以导致票据无效的有( )。A.附条件的支付委托B.票据不得转让C.票据金额仅以数码记载