首页
财务会计
医药卫生
金融经济
考公考编
外语考试
学历提升
职称考试
建筑工程
IT考试
其他
登录
财务会计
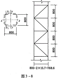
所给定的斜缀条的稳定承载力为( )kN。
所给定的斜缀条的稳定承载力为( )kN。
shuhaiku
2019-12-17
6
问题
所给定的斜缀条的稳定承载力为( )kN。
选项
A. 15.41B. 19.01C. 22.06D. 24.87
答案
B
解析
[img]/upload/tiku/213/9404181_1.gif[/img]
转载请注明原文地址:https://ti.zuoweng.com/ti/fIq9KKKQ
相关试题推荐
某钢盘混凝土结构工程的框架柱结构出现裂缝,经调查分析,其承载力满足设计要求,不影
在施工质量缺陷和质量事故处理的基本方法中,()主要是针对危及承载力的质量缺陷的处
既有结构的承载力,当可确定一批构件的实际承载力及其变异系数时,可采取()进行评
混凝土保护层厚度是一个重要参数,它不仅关系到构件的承载力和适用性,而且对结构构件
为提高墙体抗震受剪承载力而设置的其他芯柱,宜在墙体内均匀布置,最大间距不应大于(
砌体局部承载力验算时,局部抗压强度提高系数受到限制的原因是( )。
在确定岩基极限承载力时,从理论上看,下列哪一项是核心指标?( )
下面哪一项关于地基承载力的计算中假定基底存在弹性核?( )
在钢筋混凝土双筋梁、大偏心受压和大偏心受拉构件的正截面承载力计算中,要求受压区高
岩基的标准承载力是指( )。
随机试题
女性,24岁。尿频、尿急、终末血尿2年。尿常规检查:脓细胞(+++),红细胞(+
中国买方的一国际贸易买卖合同约定以信用证付款,甲银行为开证行,乙公司为买方公司申
简述企业利用平衡计分卡设计绩效考评指标体系的步骤。
Modernscientistsdividetheprocessof
下列各项中,不属于签订房地产经纪服务合同常见错误的是( )。
.根据《普通混凝土拌合物性能试验方法标准》GB/T50080—2011的规定,
乳牙建成的时间是A.6.0岁B.1.0岁C.出生时D.6个月E.2.5岁
俗话说:“为官—任,造福一方。”你如何理解这句话?“福”字意味着什么?
建设项目财务盈利能力分析中,动态分析指标有()。 A.财务内部收益率B.财务净现值 C.财务净现值率D.动态投资回收期 E.投资收益率
在质量管理领域,考虑1.5倍漂移,六西格玛表示产品的不合格率不超过()。A:1.5%B:3.4%C:1.5ppmD:3.4ppm