首页
财务会计
医药卫生
金融经济
考公考编
外语考试
学历提升
职称考试
建筑工程
IT考试
其他
登录
考公考编
B
B
题库总管
2020-05-20
5
问题
选项
答案
B
解析
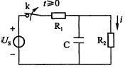
[img]/upload/tiku/131/295886_1.jpg[/img]
转载请注明原文地址:https://ti.zuoweng.com/ti/fbbEKKKQ
相关试题推荐
条件同上题,大气压强为98kPa,则容器内水面上的相对压强为()kPa。
一束白光垂直照射在一光栅上,在形成的第一级光栅光谱中,最靠近中央明纹的是()。
将f(x)=1/(2-x)展开为x的幂级数,其收敛域为()。
射极输出器的主要特点是()。
在双缝干涉实验中,入射光的波长为λ,用透明玻璃纸遮住双缝中的一条缝(靠近屏的一侧
判断总流的流动方向用下列哪一判据?()
设随机变量X的概率密度为,用Y表示对X的3次独立重复观察中事件出现的次数,则P{
一台三相电动机运行于中性点接地的低压电力系统中,操作员碰及外壳导致意外触电事故,
关于总成本费用的计算公式,下列正确的是:
某公司拟向银行贷款100万元,贷款期为3年,甲银行的贷款利率为6%(按季计息)
随机试题
以下属于马应龙麝香痔疮膏的功用的是 A、清热燥湿 B、疏风凉血 C、活血消
每个神经元具有( )。 A.多个轴突及多个树突 B.一个轴突及一
急性上呼吸道感染直接蔓延不引起哪种疾病 A、风湿热 B、中耳炎 C、支
属于裂环环烯醚萜的是
下列选项中,属于收益性房地产的有( )。
熊胆内服用量是
男性,48岁,间歇性无痛性肉眼血尿3个月,膀胱镜检:膀觥内右输尿管口外方有1.0
人是一个有机的整体,其中心是A:五脏B:六腑C:经络D:命门E:脑
房地产经纪机构的组织结构形式中,()的缺点是将某些基本职能外包,必然会增加控制上的困难,对外包业务缺乏强有力的控制。A.矩阵制组织结构形式B.网络制组织结
位于市区的甲企业2019年12月业务如下: (1)进口一批原材料,境外成交价格为100万元,到达我国境内输入地点起卸前的运费、保险费合计20万元,支付给...