首页
财务会计
医药卫生
金融经济
考公考编
外语考试
学历提升
职称考试
建筑工程
IT考试
其他
登录
财务会计
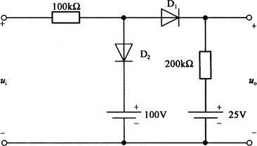
如图所示,设二极管为理想元件,当=150V时,U0为( )。
如图所示,设二极管为理想元件,当=150V时,U0为( )。
恬恬
2019-12-17
7
问题
如图所示,设二极管为理想元件,当=150V时,U0为( )。
选项
A. 25V B. 75V C. 100V D. 150V
答案
C
解析
如题解图所示,设D1、D2的共阳极点为A点,假设没有D2,D1肯定能够导通,A点的电压为UA,根据[img]/upload/tiku/37/5850557_1.png[/img]得出[img]/upload/tiku/37/5850557_1_1.png[/img]则D2导通,此时UA=100V,Dl也导通,那么D1、D2都导通,所以UA=100V。[img]/upload/tiku/37/5850557_1_2.jpg[/img]
转载请注明原文地址:https://ti.zuoweng.com/ti/q8qlKKKQ
相关试题推荐
如题图所示为某系统等值电路,各元件参数标幺值标在图中,f点发生三相短路时,短路点
如题图所示,集成运放和模拟乘法器均为理想元件,模拟乘法器的乘积系数k>0,应u0
如题图所示电路中,二极管性能理想,则电压UAB为( )。
在R=7kΩ、L=4.23H、C=0.47μF三个元件串联的电路中,电路的暂态属
A.2.21kA B.1.22kA C.8.16kA D.9.48kAB如图所示,先求各序电抗: 形成复合序网:
网络接线如图所示,容量为1200MVA,取SB=60MVA,当图中f点发生三相短
电力系统采用标幺值计算时,当元件的额定容量、额定电压为,SN、UN,系统统一基准
由四位二进制同步计算器74163构成的逻辑电路如图所示,该电路的逻辑功能为(
如图所示,电路中Z点的频率为( )。
某串联反馈型稳压电路如图所示,输入直流电压Ui=24V,调整管T1和误差放大管T
随机试题
有关细菌在血琼脂上的溶血现象叙述正确的是
女性,60岁,反复咳嗽、咳痰25年,心悸、气促、下肢间歇性水肿3年,病情加重伴畏
甲公司为一家境内上市的集团企业,主要从事能源电力及基础设施建设与投资。2016年初,甲公司召开X、Y两个项目的投融资评审会。财务经理发言要点如下: 随着...
研究发现,市面上的X饮料的Y成分可以抑制鼻病毒。实验证实,鼻病毒是引发感冒的罪魁祸首。因此,经常喝X饮料的人将减少引发感冒的风险。以下哪项如果为真,最能削...
对表证较轻,喘咳较重的患者首选的是A:炙麻黄B:生麻黄C:麻黄绒D:蜜炙麻黄绒E:去节麻黄绒
共用题干 患者,女性,41岁,诊断为溃疡性结肠炎收住院,每日腹泻5~6次,有少量脓血便。对此类患者饮食护理应注意A:给予易消化、富含纤维素饮食B:低蛋白饮
建设项目需要征收农用地的,应当先行办理()手续。A:农用地转用审批B:征地审批C:拆分审批D:整合审批
因房屋改建致使部分房屋拆除的,房屋所有权人应当申请房屋所有权( )登记。A:更正B:注销C:变更D:撤销
下列建设项目评价指标中,可用于选择互斥投资方案的指标有()。A.净现值B.追加投资收益率C.差额的净将来值D.投资利润率E.总投资收益率
保险企业财务评价指标体系中,反映保险企业经营状况的指标包括()。 A.净资产利润率B.固定资本比率C.退保率D.流动比率 E.资产负债率