首页
财务会计
医药卫生
金融经济
考公考编
外语考试
学历提升
职称考试
建筑工程
IT考试
其他
登录
财务会计
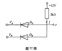
电路如图所示,设DA、DB为理想二极管,当VA=3V,VB=6V时,I等于(
电路如图所示,设DA、DB为理想二极管,当VA=3V,VB=6V时,I等于(
Loveyou
2019-12-17
8
问题
电路如图所示,设DA、DB为理想二极管,当VA=3V,VB=6V时,I等于( )mA。
选项
A.3B.2C.4D.15
答案
A
解析
因为VA<VB,所以DA先导通,[img]/upload/tiku/190/6907958_1.png[/img]
转载请注明原文地址:https://ti.zuoweng.com/ti/rM8sKKKQ
相关试题推荐
患者,男,42岁,经医生诊断为阳虚夹湿之泄泻,遂开附子理中丸,效果不理想。经询问
某男,56岁。患高血压病服用吲达帕胺,后因血压控制不理想,自行加服珍菊降压片。近
某晶体管放大电路的空载放大倍数A=-80、输入电阻ri=1kΩ和输出电阻ro=3
均质细直杆OA长为ι,质量为m,A端固结一质量为m的小球(不计尺寸),如图所示。
对普通投资者而言,实物黄金和纸黄金是较为理想的黄金投资渠道。但黄金饰品对家庭理财
某预制的钢筋混凝土简支空心板,截面形状尺寸如图所示。混凝土强度等级为C30,钢筋
某一设有吊车的钢筋混凝土单层厂房,下柱长He=11.5m。上下柱的截面尺寸如图
某一设有吊车的钢筋混凝土单层厂房,下柱长He=11.5m。上下柱的截面尺寸如图
一钢筋混凝土单层工业厂房边柱,下柱为工字形截面,截面尺寸如图所示,下柱高为7.2
钢筋混凝土T形截面构件如图所示,b=250mm,h=500rmn,b\'f=400
随机试题
在通风管道中能防止烟气扩散的设施是( )。 A、防火卷帘 B、防火阀 C
下岗失业人员非微利项目的小额担保贷款,()
某期货公司用自有资金替大股东归还贷款本息。同时,该期货公司以马某、李某、D公司、
2018年齐某和赵某进入甲公司工作,主要从事室外装潢工作,赵某的工资为2200元
2015年国家自然科学基金委全年共接收173017项各类申请,同比增长约10%,
教育对人类地位的提升作用表现在() A.发现人的价值B.发掘人的潜力 C.发挥人的力量D.发展人的个性 E.发生人的演变
女性,30岁,GPA,月经规则,4~6天/33天,拟妊娠生育,末次月经为3月20日,推算其下次排卵期大约为A.4月8日B.4月4日C.4月1日D.4月15
我国刑法规定的法定刑模式为( )A.绝对不确定的法定刑B.绝对确定的法定刑C.相对确定的法定刑D.相对确定的法定刑和绝对确定的法定刑
对于地下人防工程的叙述,不正确的是()。A.地下指挥工程的布置应以指挥室为中心,合理进行功能分区B.地下指挥工程由工作、生活两部分组成C.地下人员隐蔽工程分
依据《安全生产法》的规定,下列生产经营规模较大的公司中,应当建立应急救援组织的是()。A.食品加工公司B.建筑施工公司C.钟表制造公司D.服装加工