首页
财务会计
医药卫生
金融经济
考公考编
外语考试
学历提升
职称考试
建筑工程
IT考试
其他
登录
财务会计
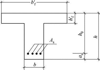
T形截面梁(见图),b f′=500mm,b=200mm,h f′=80mm,h
T形截面梁(见图),b f′=500mm,b=200mm,h f′=80mm,h
免费考试题库
2019-12-17
14
问题
T形截面梁(见图),b f′=500mm,b=200mm,h f′=80mm,h=600mm,as=40mm,混凝土强度等级为C25,纵向受拉钢筋为HRB335级,用4Φ22,As=1520mm2,则此梁所能承受的弯矩Mu为( )kN·m。
选项
A、211.68 B、237.12 C、237.80 D、247.52
答案
C
解析
根据《混凝土结构设计规范》(GB 50010—2010)第4.1.4条表4.1.4-1和第4.2.3条表4.2.3-1可知,混凝土强度等级为C25,纵向受拉钢筋为HRB335级,则强度设计值fc=11.9N/mm2、fy=300N/mm2。[img]/upload/tiku/214/9406312_1.jpg[/img][img]/upload/tiku/214/9406312_1_1.jpg[/img]
转载请注明原文地址:https://ti.zuoweng.com/ti/4Jt9KKKQ
相关试题推荐
水平截面积300㎡以内的墩台,分块浇筑混凝土时,分块数量不得超过()块。
墩台混凝土分块浇筑时,墩台水平截面积在200㎡内分块不得超过()块。
受弯构件截面上通常有()作用。
钢筋混凝土梁正截面可能出现()不同性质的破坏。
下列各选项中,对梁的斜截面破坏形式影响最大的是()。
在一根普通的钢筋混凝土梁中,不是决定其斜截面破坏形式的因素是()。
随着纵向受拉钢筋配筋率的不同,钢筋混凝土梁正截面可能出现适筋、超筋、少筋三;形式
()梁是受弯构件正截面承载力极限状态验算的依据。
钢筋混凝土梁正截面()破坏为塑性破坏。
同一长度的压杆,截面积及材料均相同,仅两端支承条件不同,则()杆的临界力最小。
随机试题
细水雾灭火系统的贮水箱水质不合格,储水量不足,可能原因是()。 A.进水阀
下列有关信息技术一般控制的说法中,错误的是( )。
在网络平台上进行项目管理,工作的主要内容是围绕工程项目信息处理进行的一些任务,概
市场失灵主要表现在()。
在《城市房地产管理法》中规定,商品房预售应当持有建设工程()。
内存储器即内存,分为随机存储器RAM和只读存储器ROM。()
甲国有企业以其拥有的一块划拨土地与乙房地产公司联合开发商品住宅小区,土地面积5万
证券公司申请融资融券业务试点,必须满足最近()净资本均在12亿元以上。 A.
下列不属于津液范畴的是A:胃液B:肠液C:涕液D:血液E:泪液
假设理财规划师预计某开放式基金未来出现20%的收益率的概率是0.25,出现10%收益率的概率是0.5,而出现-4%的收益率的概率是0.25。那么该开放式基...