首页
财务会计
医药卫生
金融经济
考公考编
外语考试
学历提升
职称考试
建筑工程
IT考试
其他
登录
建筑工程
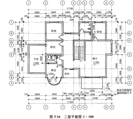
某别墅部分设计如图3-15~图3-19所示。墙体除注明外均为240mm厚。坡屋面构造做法:钢筋混凝土屋面板表面清扫干净,素水泥浆一道,20mm厚1:3水泥...
某别墅部分设计如图3-15~图3-19所示。墙体除注明外均为240mm厚。坡屋面构造做法:钢筋混凝土屋面板表面清扫干净,素水泥浆一道,20mm厚1:3水泥...
admin
2020-12-24
1
问题
某别墅部分设计如图3-15~图3-19所示。墙体除注明外均为240mm厚。坡屋面构造做法:钢筋混凝土屋面板表面清扫干净,素水泥浆一道,20mm厚1:3水泥砂浆找平.刷热防水膏,采用20mm厚1:3干硬性水泥砂浆防水保护层.25mm厚1:1:4水泥石灰砂浆铺瓦屋面。卧室地面构造做法:素土夯实,60mm厚C10混凝土垫层,20mm厚1:2水泥砂浆抹面压光。卧室楼面构造做法:150mm现浇钢筋混凝土楼板,素水泥浆一道。20mm厚1:2水泥砂浆抹面压光。
问题:
1.依据《建筑工程建筑面积计算规范》的规定,计算别墅的建筑面积。将计算过程及计量单位、计算结果填入表3—57“建筑面积计算表”。
2.依据《建设工程工程量清单计价规范》计算卧室(不含卫生间)楼面、地面工程量,计算坡屋面工程量。将计算过程及结果填入表3-58“分部分项工程量计算表”。
3.依据《建设工程工程量清单计价规范》编制卧室楼面、地面,坡屋面工程的分部分项工程量清单,填入表3—59“分部分项工程量清单”(水泥砂浆楼地面的项目编码:略,瓦屋面的项目编码:略)。
4.依据《建设工程工程量清单计价规范》编制“单位工程费汇总表”。
假设别墅部分项目的分部分项工程量清单计价合计207822元,其中人工费41560元;措施项目清单计价合价48492元;其他项目清单计价合计12123元;规费以人工费为基数计取,费率为30%;增值税率为不含税的人材机费、管理费、利润、规费之和的3%,其综合税率按3.413%计算。将有关数据和相关内容填入表3—60“单位工程费汇总表”。
(计算结果均保留2位小数)
选项
答案
解析
问题1:
计算过程中墙厚可直接加减在计算尺寸上。 问题2:
问题3:
问题4:
转载请注明原文地址:https://ti.zuoweng.com/ti/4lCaKKKQ
相关试题推荐
成熟的园区建设,往往在()阶段就引入物业服务企业。A:招标阶段B:设计阶段C:施工阶段D:入驻阶段
下列不属于公寓、别墅物业的特约服务项目的是()。A:前台服务B:居间服务C:家政服务D:交通服务
关于公寓、别墅特约服务定价,下列说法错误的是()。A:特约服务定价要充分考虑企业成本、利润和市场价格等多方面因素B:定价应结合项目的市场价格C:特约服务定价
下列对公寓、别墅的班车服务说法错误的是()。A:班车路线设计应考虑便捷性、安全性和时效性B:物业服务企业可以与大型汽车租赁公司联营的方式经营班车服务C:物业
下列关于公寓、别墅物业特约服务的需求调查说法错误的是()。A:调查时要有针对性,做到有的放矢B:调查后对调查材料进行整理分类C:经调查后,可确认开展何种经营
某旧住宅,其重置价格为45万元,地面门窗等破旧引起的物质折旧2万元,因户型设计引起的功能折旧5万元,地区衰落引起的经济折旧3万元,该住宅的现值为()万元。A:3
以下物业评估难以采用市场法的是()。A:学校、纪念堂B:物业开发土地、普通商品住宅C:高档公寓、别墅D:写字楼、商铺
投资商成功开发零售商业项目后,对项目的处置方式不包括的是()。A:完全拥有产权,仍维护大股东身份B:特大部分产权出售,转变为小股东C:全部出售套现D:以较
物业服务企业拓展社区商业经营业务的做法不包括()。A:自行开展社区商业服务B:通过与商业机构联合经营C:通过与其他物业服务企业联合经营D:通过对进驻社区的
依据《通用安装工程工程量计算规范》(GB50856-2013),在编制某建设项目分部分项工程量清单时,必须包括五部分内容,其中有()。A.项目名称B.项目编
随机试题
癫痫持续状态的主要特征是 A.频繁的发作 B.一次发作后持续性意识障碍 C
(39-40题共用备选答案) A.单瘫 B.偏瘫 C.交叉性瘫痪 D.截
2013年9月份全国乘用车销售完成情况(单位:辆) 2013年
管理规约在物业管理区域内的实施是否到位直接影响到()的好坏。
甲容器中有浓度为4%的盐水150克,乙容器中有某种浓度的盐水若干,从乙中取
(2009年2月)在我国,课程文件具体表现为教学计划、()和教科书。
保守医疗秘密之两方面的内容是指 A为病人保密与对病人保密B为病人保密与对病人家
班级管理的基础和前提是班级的()A.制度管理B.教学管理C.活动管理D.学习管理
某消防检测机构对一单位设置的局部应用干粉灭火系统进行检测,关于保护对象环境及系统功能检查的下列结果中,不符合现行国家消防技术标准要求的是()A.喷射的干粉覆盖
不宜安排路基在雨期施工的选项有()。A.丘陵和山岭地区的砂类土B.丘陵和山岭地区的岩石地段C.平原地区的盐渍土地段D.丘陵和山岭地区的重粘土地段