首页
财务会计
医药卫生
金融经济
考公考编
外语考试
学历提升
职称考试
建筑工程
IT考试
其他
登录
财务会计
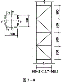
该格构柱绕虚轴整体稳定计算应力为( )N/mm2。
该格构柱绕虚轴整体稳定计算应力为( )N/mm2。
昕玥
2019-12-17
13
问题
该格构柱绕虚轴整体稳定计算应力为( )N/mm2。
选项
A. 188.5B. 190.5C. 192.0D. 193.0
答案
D
解析
[img]/upload/tiku/213/9404179_1.gif[/img]
转载请注明原文地址:https://ti.zuoweng.com/ti/CIq9KKKQ
相关试题推荐
预应力混凝土构件吊装时,其孔道水泥浆的强度不应低于构件的设计要求,如设计无要求,
下列关于支架法现浇预应力混凝土连续梁施工技术表述中,错误的是()。
用移动模架法浇筑预应力混凝土连续梁时,分段工作缝必须设在()附近。
在移动模架上浇筑预应力混凝土连续梁时,浇筑分段工作缝必须设在()附近。
预应力混凝土连续梁悬臂浇筑施工中,顶、腹板纵向预应力筋的张拉顺序一般为()张拉
悬浇法施工时,预应力混凝土梁体一般分为()大部分浇筑。
吊装梁长25m以上的预应力简支梁前,应验算裸梁的()。
预应力混凝土应优先采用()水泥。
配制预应力混凝土时应优先采用()。
预应力锚具夹具和连接器进行外观检查时,应从每批中抽取10%的锚具且不少于()套
随机试题
慢性阻塞性肺疾病康复治疗的适应证是()。 A.病情稳定的COPD患者 B.合
胰腺CT的扫描范围为 A.自胰腺上5cm向下至十二指肠水平段 B.自胰腺上1
甲企业对另一关区内的乙企业进口的加工贸易料件进行加工,成品交乙企业出口,应当由
甲、乙、丙三人成立一普通合伙企业,合伙协议约定:“合伙企业事务由甲全权负责,乙和
经典教案设计(一) 一、题目 《事物的正确答案不止一个》教案
不能用作旧沥青混凝土路面现场冷再生胶粘剂是()。
以下关于鱼际穴主治作用的叙述,不正确的是
慢性特发性血小板减少性紫癜骨髓象的特点是A.巨核细胞增多B.裸核巨核细胞数增多C.成熟产血小板巨核细胞很少D.末梢血中血小板寿命缩短
引起腹膜炎的细菌最常见的是A:大肠埃希菌B:铜绿假单胞菌C:金黄色葡萄球菌D:产气杆菌E:变形杆菌
社会主义法治把公平正义作为一切法治实践活动的价值追求。下列哪一说法正确体现了公平正义理念的基本要求?A:在法律实施中为维护法律的权威性和严肃性,应依据法理而不是