首页
财务会计
医药卫生
金融经济
考公考编
外语考试
学历提升
职称考试
建筑工程
IT考试
其他
登录
财务会计
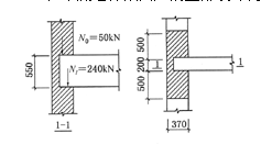
某窗间墙尺寸为1200mm×370mm,如图4-2所示,采用MU10砖和M2.5
某窗间墙尺寸为1200mm×370mm,如图4-2所示,采用MU10砖和M2.5
天天题库
2019-12-17
2
问题
某窗间墙尺寸为1200mm×370mm,如图4-2所示,采用MU10砖和M2.5的混合砂浆砌筑。已知大梁截面尺寸为b×h=200mm×550mm,跨度5m,支承长度a=240mm,梁端荷载设计值产生的支承压力付Nl=240kN,梁底墙体截面处的上部设计荷载为N0=50kN。
窗间墙壁柱的计算翼缘宽度最接近于( )m。
选项
A..1.6B..1.8C..2.0D..3.6
答案
B
解析
根据《砌体结构设计规范》(GB 50003—2001)第4.2.8条第1款,多层房屋,当有门窗洞口时,可取窗间墙宽度,故bf=1.8m。
转载请注明原文地址:https://ti.zuoweng.com/ti/Eet9KKKQ
相关试题推荐
工程测量记录是在施工过程中形成的确保建设工程定位、尺寸、标高、位置和沉降量等满足
按照归档文件的质量要求,竣工图章尺寸为()。
按照文明工地标准,严格按照相关文件规定的尺寸和规格制作各类工程标志牌,“五牌一图
某一结构构件截面尺寸不足,影响承载力,但按实际情况进行复核验算后仍能满足设计要求
施工现场文明施工要求工地按照相关文件规定的尺寸和规格制作“五牌一图”,下列不属于
某工程进行检验批验收付时,发现某框架梁截面尺寸与原设计图纸尺寸不符,但经原设计单
某建设工程的施工网络计划如图所示(时间单位:天),则该计划的关键线路有()。
某双代号网络计划如图所示(时间单位:d),则该计划的关键线路是()。
烧结普通砖和毛石砌筑而成的基础特点有()。
饰面砖工程是指内墙饰面砖和高度不大于100m、抗震设防烈度不大于8度、()施工
随机试题
根据相关法律制度的规定,下列选项中,不属于债的发生原因的是( )。 A.无因
若银行发现客户存单的存款日期有误,其他内容均正确合理,那么银行可以自行修改存款日
( )是规范我国市场经济财产流转关系的基本法。
幼儿园为小朋友组织健康体检,幼儿园的医生告诉幼儿家长肥胖的幼儿应饮食控制并加强运
属于COMT抑制剂的是
根据中国银监会2012年颁布的《商业银行资本管理办法(试行)》,正常时期我国系统重要性银行的资本充足率不得低于()。A.11.5%B.11%C.8%D.
2020年2月,在意大利进行的2020年世界青年短道速滑锦标赛中,中国小将()在男子1000米比赛中夺冠,这是中国队本届比赛唯一一枚金牌。A.孙龙B.王楠C
采用滴制法制备软胶囊的过程中,影响软胶囊质量的因素有A.胶液、药液的温度B.喷头的大小C.滴制的速度D.冷却液的种类E.冷却液的温度
按建筑构造要求,楼梯平台上部及下部过道处的净高不应小于()m。A.3B.2.2C.2D.1.8
根据《人民币银行结算账户管理办法》的规定,银行在银行结算账户的使用中,超过期限或未向中国人民银行报送账户开立、变更、撤销等资料,应给予的处罚有______。A.