首页
财务会计
医药卫生
金融经济
考公考编
外语考试
学历提升
职称考试
建筑工程
IT考试
其他
登录
财务会计
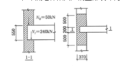
某窗间墙尺寸为1200mm×370mm,如图4-2所示,采用MU10砖和M2.5
某窗间墙尺寸为1200mm×370mm,如图4-2所示,采用MU10砖和M2.5
题库总管
2019-12-17
9
问题
某窗间墙尺寸为1200mm×370mm,如图4-2所示,采用MU10砖和M2.5的混合砂浆砌筑。已知大梁截面尺寸为b×h=200mm×550mm,跨度5m,支承长度a=240mm,梁端荷载设计值产生的支承压力付Nl=240kN,梁底墙体截面处的上部设计荷载为N0=50kN。
梁端设有刚性垫块时,则底层顶端的弯矩最接近于( )kN·m。
选项
A..13.6B..14.7C..15.1D..16.5
答案
A
解析
[img]/upload/tiku/214/6911294_1.gif[/img]
转载请注明原文地址:https://ti.zuoweng.com/ti/Lu8sKKKQ
相关试题推荐
如图所示,立方体上叠加圆柱体在打通一个圆柱孔,然后从任意面剖开,下面哪一项不可能
某无梁楼盖柱网尺寸为6m×6m,柱截面尺寸为450mm×450mm,楼板厚200
支承屋面梁的柱牛腿,如图所示,宽度b=400mm,屋架在牛腿上的支承长度为200
某无梁楼盖柱网尺寸为6m×6m,柱截面尺寸为450mm×450mm,楼板厚200
某一设有吊车的钢筋混凝土单层厂房,下柱长He=11.5m。上下柱的截面尺寸如图
某预制的钢筋混凝土简支空心板,截面形状尺寸如图所示。混凝土强度等级为C30,钢筋
钢筋混凝土T形截面构件如图所示,b=250mm,h=500rmn,b\'f=400
若已知次梁的计算跨度l0=6m,间距为2.4m,净距sn=2.2m,如图
有一无吊车工业厂房,采用刚性屋盖,其铰接排架结构计算简图如图所示。结构安全等级为
某混凝土单筋矩形截面简支梁,截面尺寸和配筋如图所示,采用C30混凝土,HRB33
随机试题
私募基金从业人员应当( )参加基金业协会或其认可机构组织的执业培训。 A.
下列心电图应诊断为(图2) A.窦性心律不齐 B.窦性停搏 C.室上性
水是生命之源,我国有半数以上城市缺水。下列属于节约用水的措施是()。 A.跨流
小毅刚从社会工作服务机构的青少年服务部调入老年服务部,机构派了一位有经验的社会工
下列被称为治血瘀诸证之要药的是
男性,27岁,心悸气短,胸闷胸痛晕厥。查体:胸骨左缘3肋间3/6,收缩期杂音,超
符合II型呼吸衰竭的动脉血气标准是 A.PaO2为70mmHg,PaC02为
下述哪种胆囊息肉的征象支持良性息肉的诊断A.单发B.多发C.不规则状D.>1cmE.生长迅速
我国农村发展学前教育的一种重要形式是( )。A.托儿所B.亲子班C.学前班D.幼儿园
治理通货膨胀的政策主要有()。A:控制货币供给B:推行减税政策C:调节和控制社会总需求D:减少商品有效供给E:实行物价管理制度