首页
财务会计
医药卫生
金融经济
考公考编
外语考试
学历提升
职称考试
建筑工程
IT考试
其他
登录
财务会计
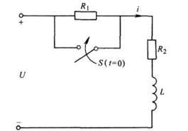
电路如图所示,已知:U=30V,R1=10Ω,R2=20Ω,L=1H,稳定状态下
电路如图所示,已知:U=30V,R1=10Ω,R2=20Ω,L=1H,稳定状态下
昕玥
2019-12-17
48
问题
电路如图所示,已知:U=30V,R1=10Ω,R2=20Ω,L=1H,稳定状态下闭合开关S将R1短路,短路后经过( )s电流i达到1.2A。
选项
A.0.017B.0.026C.0.051D.0.076
答案
B
解析
[img]/upload/tiku/36/5277334_1.jpg[/img]
转载请注明原文地址:https://ti.zuoweng.com/ti/PVLlKKKQ
相关试题推荐
( )的核心是建立应急基金,保障个人和家庭生活质量和状态的稳定性。
以下关于行业衰退的说法,正确的有( )。 Ⅰ自然衰退是一种自然状态下到来的衰
如果一个行业产出增长率处于负增速状态,可以初步判断该行业进入( )阶段。
根据组合投资理论,在市场均衡状态下,单个证券或组合的收益E(r)和风险系数卢之间
D由逻辑电路的基本关系变换可得结果,变换中用到了逻辑电路的摩根定理。
接触器的控制线圈如图a)所示,动合触点如图b)所示,动断触点如图c)所示,当有额
梁的横截面是由狭长矩形构成的工字形截面,如图所示,z轴为中性轴,截面上的剪力竖直
梁的弯矩图如图所示,最大值在B截面。在梁的A、B、C、D四个截面中,剪力为0的截
圆截面杆ABC轴向受力如图,已知BC杆的直径d=100mm,AB杆的直径为2
—重力大小为W=60kN的物块自由放置在倾角为=30°的斜面上,如图所示,若物块
随机试题
某幢坡屋顶住宅共6层,其室外地坪比室内首层地面低0.5m,自0.00至屋檐高度1
肺灌注显像所用显像剂为 A.99mTc-MAG3 B.99mTc-MAA
腰椎小关节病治疗时以非手术治疗为主,恢复期要 A.缓解疼痛 B.减轻关节炎症
对收集到的地图资料进行全面的分析、研究,其最终成果是()。
“春夏养阳,秋冬养阴”体现了
斜井提升运输时,在斜井井口或下山的上口应安设制造简单、使用安全可靠、又便于维修
酒炙能A.增强活血通络作用B.增强润肺止咳作用C.增强活血止痛作用D.增强和胃止呕作用E.增强滋阴降火作用
研究药物制剂的基本理论、处方设计、制备工艺、质量控制和合理应用的综合性技术学科称为A:制剂学B:药剂学C:调剂学D:物理药剂学E:生物药剂学
印象形成中的信息整合模式包括()。 (A)加法模式(B)加权平均模式 (C)平均模式(D)中心品质模式
企业所得税的扣缴义务人每次代扣非居民纳税人的税款,应当自()缴入国库,并向所在地的税务机关报送扣缴企业所得税报告表。A.代扣之日起7日内B.代扣之日起