首页
财务会计
医药卫生
金融经济
考公考编
外语考试
学历提升
职称考试
建筑工程
IT考试
其他
登录
财务会计
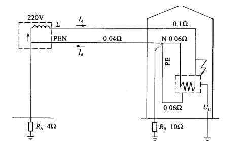
某建筑物釆用TN-C-S系统供电,建筑物地下室设有与大地绝缘的防水层。PEN线进
某建筑物釆用TN-C-S系统供电,建筑物地下室设有与大地绝缘的防水层。PEN线进
题库总管
2019-12-17
1
问题
某建筑物釆用TN-C-S系统供电,建筑物地下室设有与大地绝缘的防水层。PEN线进户后即分为PE线和N线,并打人工接地极将PE线重复接地。变电所系统接地RA和建筑物重复接地RB阻值分别为4Ω及10Ω。各段线路的电阻值如下图所示,为简化计算可忽略工频条件下的回路导体电抗和变压器电抗。请回答下列问题。
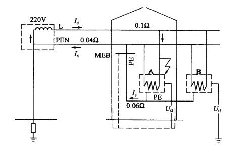
若建筑物引出线路给户外电气设备B供电,如下图所示,当设备A发生接地故障时,不仅在设备A处出现预期接触电压Ut2,在设备B处也出现预期接触电压Ut3,试计算此Ut3值为下列哪一项数值? ()
(A)110V (B)100V (C)120V (D)80V
选项
答案
A
解析
《工业与民用配电设计手册》(第三版)P920、921作总等电位联结内容。短路分析:发生故障后,相保回路电流由相线L(0.1Ω)流经建筑物内PE线(0.06Ω),再流经PEN线(0.04Ω)返回至变压器中性点,全回路电阻和电路电流Id为:R = 0. 1 + 0. 06 + 0. 04 = 0. 2ΩId =220/0.2 = 1100AA设备的接触电压Ut2为碰壳点与MEB之间的电位差,B设备的接触电压Ut3为碰壳点与大地之间的地位差,由于变压器中性点直接接地,大地与变压器中性点等电位,因此B设备外壳接触电压Ut3为:Ut3=Id(RPE+RPEN) = 1100 x (0.06 + 0.04) = 110V
转载请注明原文地址:https://ti.zuoweng.com/ti/QNmNKKKQ
相关试题推荐
某产品是由4个单元组成的串联系统,每个单元寿命均服从指数分布,故障率分别为λA=
某产品是由4个单元组成的串联系统,每个单元寿命均服从指数分布,故障率分别为λA=
某公司在开发一种新的电子产品时,决定开展系统的可靠性工作,以提高产品的固有可靠性
某产品是由5个单元组成的串联系统,若每个单元的可靠度均为0.9,则产品可靠度约
一个由4个部件组成的串联系统,4个部件的故障率分别是: λ1=0.0002
一个由4个部件组成的串联系统,4个部件的故障率分别是: λ1=0.0002
一个由4个部件组成的串联系统,4个部件的故障率分别是: λ1=0.0002
一个由两个单元组成的并联系统,每个单元可靠度均为0.9,则系统可靠度为()。
建立故障报告、分析和纠正措施系统(FRACAS)的A的是保证(),以实现产品可
某厂房三铰拱式天窗架采用Q235B钢制作,其平面外稳定性由支撑系统保证。天窗架侧
随机试题
施工评标中,审查投标人名称与资质证书的名称是否一致,属于()评审的内容。
乙劳务派遣公司应甲公司要求,将张某派遣到甲公司工作。根据劳动合同法律制度的规定,
上课开始时,教师请学生回顾之前学习的歌曲《飞来的花瓣》所表达的情感,学生说出该歌
某银行销售人员在向客户推荐银行产品时,向客户特别强调同类产品历史年收益率最高为2
患者女性,35岁,转移性右下腹疼痛3天,右下腹压痛、反跳痛、肌紧张,腰大肌试验阳
对于基金信息披露重大性的界定,我国仅采用“影响投资者决策”标准。()
患者男,60岁。每于上楼时出现胸闷3天,含服硝酸甘油2分钟可缓解。8小时前再次出现上述症状,向左上肢和后背放射,为持续性,伴上腹胀痛和恶心、呕吐,含服硝酸...
工程保修阶段工程监理单位应完成的工作包括( )A.定期回防B.及时保修C.协调联系D.督促维修E.检查验收
根据《标准设计施工总承包招标文件》中的《合同条款及格式》,“发包人要求”中竣工试验的第三阶段应对()提出要求。A.联动试车B.性能测试C.单车试验D.
下列各项中,不属于工资管理模块提供的报表是______。A.工资分析表B.资产负债表C.工资汇总表D.工资发放表