首页
财务会计
医药卫生
金融经济
考公考编
外语考试
学历提升
职称考试
建筑工程
IT考试
其他
登录
财务会计
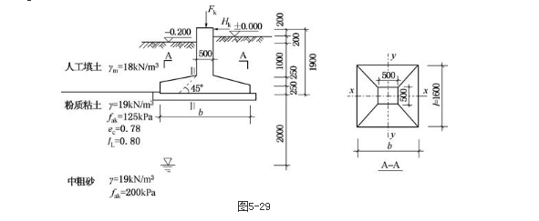
某门式刚架单层厂房基础,采用的是独立基础。混凝土短柱截面尺寸为500mm×500
某门式刚架单层厂房基础,采用的是独立基础。混凝土短柱截面尺寸为500mm×500
shuhaiku
2019-12-17
3
问题
某门式刚架单层厂房基础,采用的是独立基础。混凝土短柱截面尺寸为500mm×500mm;与水平力作用方向垂直的基础底边长l=1.6m。相应于荷载效应标准组合时,作用于短柱顶面上的竖向荷载为Fk,水平荷载为Hk。已知基础采用C30混凝土,基础底面以上土与基础的加权平均容重为20kN/m3,其他参数均如图5-29中所示。
假定Fk=200kN,Hk=50kN,基础底面边长b=2.2m。已求出基础底面积A=3.52m2,抵抗矩Wy=1.29m3,则可计算得基础底面边缘处的最大压力标准值pkmax最接近于( )kPa。
选项
A.130B.150C.160D.180
答案
C
解析
[img]/upload/tiku/213/9405124_1.png[/img]
转载请注明原文地址:https://ti.zuoweng.com/ti/Sst9KKKQ
相关试题推荐
关于初衬喷射混凝土施工的说法,正确的有()。
浇筑大体积混凝土产生裂缝的原因有()。
大体积混凝土在施工阶段的混凝土内部温度是由()叠加而成。
大体积混凝土构筑物的裂缝,危害结构整体性、稳定性和耐久性的有()。
大体积混凝土构筑物产生裂缝的原因有()。
设置水泥混凝土路面的伸缝很重要,它应满足()等要求。
沥青混凝土面层如必须进行冬季施工时,应做到()。
水泥混凝土路面施工对振捣的要求,正确的有()。
经返修或加固处理的分项工程、分部工程,虽然改变外形尺寸但仍能满足()要求,可按
现浇混凝土盖梁前,搭设施工脚手架时不能实施的选项有()。
随机试题
(87-88题共用备选答案) A.消渴方 B.玉女煎 C.七味白术散 D
急性粒细胞白血病M2b型患者骨髓片中以哪种细胞为主 A.原始粒细胞 B.早幼
某建设工程施工现场,在建工程单体体积为15000m3。 请分析以上案例,回答下
应付股利是指企业根据股东大会或类似机构审议尚未批准的利润分配方案确定分配给投资者
项目建设纲要或设计纲要的内容包括()。
患者女,有风湿性心脏病史。因心源性水肿给予噻嗪类利尿剂治疗,此时应特别注意防止
7、事故紧急抢修可不用工作票,但应使用事故紧急抢修单。
教职工代表大会的职权有哪些?
下列关于证券公司债券上市与交易的表述,正确的有()。 Ⅰ.公开发行的债券应当申请在证券交易所挂牌集中竞价交易 Ⅱ.债券已获准发行,实际...
关于勘察设计合同双方当事人的合同责任,下列说法错误的是()。A:勘察过程中的任何变更,经办理正式变更手续后,发包人应按实际发生的工作量支付勘察费B:勘察人提供