首页
财务会计
医药卫生
金融经济
考公考编
外语考试
学历提升
职称考试
建筑工程
IT考试
其他
登录
建筑工程
图示电路中,二极管视为理想元件,即正向电压降为零,反向电阻为无穷大。三极管的β=100。输入信号UA、UB的高电平是3. 5V,(逻辑1),低电平是0. ...
图示电路中,二极管视为理想元件,即正向电压降为零,反向电阻为无穷大。三极管的β=100。输入信号UA、UB的高电平是3. 5V,(逻辑1),低电平是0. ...
admin
2020-12-24
0
问题
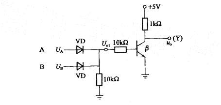
图示电路中,二极管视为理想元件,即正向电压降为零,反向电阻为无穷大。三极管的β=100。输入信号UA、UB的高电平是3. 5V,(逻辑1),低电平是0. 3V(逻辑0),若该电路的输出电压U0为电压平时定为逻辑1,图所示电路应为:
A.与门 B.与非门 C.或门 D.或非门
选项
答案
D
解析
提示:当UA或UB中有高电位时,u01输出高电位,u01与UA、UB符合或门逻辑电路。u0与u01的电位关系符合非门逻辑,因此,该电路的输出与输入之间有或非逻辑。电位分析如解表1和解表2所示。
转载请注明原文地址:https://ti.zuoweng.com/ti/TqKCKKKQ
相关试题推荐
下列关于单代号网络图表述正确的是( )A.箭线表示工作及其进行的方向,节点表示工作之间的逻辑关系B.节点表示工作,箭线表示工作进行的方向C.节点表示工作,
制作预埋件时,钢筋与钢板连接,一般采用哪种焊接方法? A.闪光对焊B.电弧焊C.电阻点焊D.电渣压力焊
沉管灌注桩的单打法施工,应遵守的规定有()。 A.必须严格控制最后30s的电流、电压值,其值按设计要求或根据试桩和当地经验确定 B.桩管内灌满混凝土...
计算地基土中附加应力时,假定的近似条件有()。 A.土体是各向同性的均勻介质体B.土体是线性变形体 C.土体是理想弹塑性变形体D.地基是半无限体
用跨孔法测土的剪切波速,应特别注意的问题有()。 A.孔斜影响剪切波传播的距离 B.测试深度大时,拾振器收到的信号不足 C.剪切波初至信号的正确判...
进行强夯试验时,需观测强夯在地基土中引起的孔隙水压力的增长和消散规律,以下测压计中合适的有()。 A.电阻应变式测压计B.立管式测压计 C.水压式...
进行强夯试验时,需观测强夯在地基土中引起的孔隙水压力的增长和消散规律,以下测压计中合适的是()。A.电阻应变式测压计B.立管式测压计C.水压式测压计D
下面一系列地基处理方法中处理湿陷性黄土较理想的是()。A.换填法、强夯法,砂桩法B.灰土桩法、振冲法、换填法C.灰土桩法、预浸水法、重锤夯实法D.换填
若按采用的传输介质的不同,可将网络分为( )。A、双绞线网、同轴电缆网、光纤网、无线网B、基带网和宽带网C、电路交换类、报文交换类、分组交换类
运算放大器应用电路如图所示,设运算放大器输出电压的极限值为±11V,如果将2V电压接入电路的“A”端,电路的“B”端接地后,测得输出电压为-8V,那么,如...
随机试题
原发性血小板增多症患者,血小板数至少大于 A.500×10^9/L B.80
患儿,男,10岁。MRI示第四脑室内一边界清楚的分叶状肿物,呈T1WI稍低信号,
背景资料 某二级公路位于平原区,路基宽10m,采用沥青混凝土路面,其中K3+4
以下关于中标的表述中,错误的是()。
某机床因订单减少,开工不足,近5年来第一次发生亏损。王厂长由于考虑精简人员,为此
右图所示的边坡处理方法属于( )。
甲作为出售方与乙签订买卖合同,为保障债权实现,可以要求乙提供的债权担保方式有()
中国共产党第一次专题研究依法治国问题的中央全会是()。
预防未成年人犯罪,立足于(),从小抓起,对未成年人的不良行为及时进行预防和矫治。A.教育B.压制C.保护D.教育和保护
英文药品集类的药学核心典籍是A.《中国药学年鉴》B.《马丁代尔大药典》C.《新编药物学》D.《药名词典》E.《中华人民共和国药典》