首页
财务会计
医药卫生
金融经济
考公考编
外语考试
学历提升
职称考试
建筑工程
IT考试
其他
登录
财务会计
某简支吊车梁,跨度12m,钢材为Q345钢,焊条为E50系列,承受两台75/20
某简支吊车梁,跨度12m,钢材为Q345钢,焊条为E50系列,承受两台75/20
shuhaiku
2019-12-17
14
问题
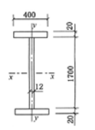
某简支吊车梁,跨度12m,钢材为Q345钢,焊条为E50系列,承受两台75/20t重级工作制桥式吊车。吊车梁截面如图所示,Ix=1674660cm6,采用QU100钢轨,轨高15cm,与受压翼缘牢固连接。
同时配置纵、横向加劲肋时,为验算纵向加劲肋与受压翼缘间区格的局部稳定性,此时采用的局部压应力口,最接近的数值为( )N/mm2。
选项
A. 153B. 137C. 125D. 89
答案
D
解析
[img]/upload/tiku/214/6911430_1.gif[/img]
转载请注明原文地址:https://ti.zuoweng.com/ti/ZB8sKKKQ
相关试题推荐
无权利承受人或不能确定承受人,不能进行注销登记。()
2016年3月以来,针对某省非法经营疫苗系列案件暴露的疫苗流通管理的突出问题,国
2016年3月以来,针对某省非法经营疫苗系列案件暴露的疫苗流通管理的突出问题,国
()风险承受能力较低,希望能够稳步以财富增值为主要理财目标。
教育规划方案的最终确立是在理财师对客户家庭财产状况、收入能力、风险承受能力以及(
风险战略是银行为实现总体发展目标所制定的一系列风险管理目标和方针政策,下列关于风
在一定期限内,时间间隔相同、不间断、金额不相等但每期增长率相等、方向相同的一系列
按照投资者对风险的承受能力,可以将投资者分为不同的类型。其中,与风险承受能力较低
商业银行在客户首次购买理财产品前应当在本行网点或网上银行进行风险承受能力评估。(
商业银行对超过( )岁(含)的客户进行风险承受能力评估时,应当充分考虑客户年龄
随机试题
工程项目财务评价参数包括()。 A、基准收益率 B、项目收益率 C、净资产
(99-100题共用备选答案) A.有了完全心理运算的能力 B.靠感觉和动作
纳税人不能按照税法规定的纳税期限缴纳税款,( ),不足以缴纳税款的,可申请延期纳
个人外汇账户及外币现钞管理中,应经国家外汇管理局核准的有()。
某建筑物的建筑面积为80㎡,经过年数为10年,单位建筑面积的重置价格为6000元
评价教学结果的最客观和可靠的标准是()。 A.教学目标B.教育目的 C.教学计划D.教学策略
《中共中央国务院关于深化医药卫生体制改革的意见》提出了“建立健全覆盖城乡居民的基本医疗卫生制度,为群众提供安全、有效、方便、廉价的医疗卫生服务”的长远目标...
1rI>时,可认为两个变量间( )A.有正相关关系B.有负相关关系C.有一定关系D.有直线关系E.一定有直线关系
偏差分析的常用方法包括()。A、表格法B、比较法C、连环替代法D、结构对比分析法
导致被评估机器设备功能性贬值的因素是( )。A.原材料、能源提价,造成生产成本提高,而售价没有相应提高B.市场竞争加剧,产品需求降低,设备开工不足,生产能力相