首页
财务会计
医药卫生
金融经济
考公考编
外语考试
学历提升
职称考试
建筑工程
IT考试
其他
登录
财务会计
某简支吊车梁,跨度12m,钢材为Q345钢,焊条为E50系列,承受两台75/20
某简支吊车梁,跨度12m,钢材为Q345钢,焊条为E50系列,承受两台75/20
天天题库
2019-12-17
4
问题
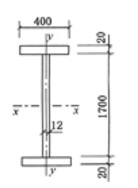
某简支吊车梁,跨度12m,钢材为Q345钢,焊条为E50系列,承受两台75/20t重级工作制桥式吊车。吊车梁截面如图所示,Ix=1674660cm6,采用QU100钢轨,轨高15cm,与受压翼缘牢固连接。
纵向加劲肋至腹板受压边距离h1最接近的数值为( )mm。
选项
A. 300B. 400C. 500D. 600
答案
B
解析
[img]/upload/tiku/213/9404175_1.gif[/img]
转载请注明原文地址:https://ti.zuoweng.com/ti/aIq9KKKQ
相关试题推荐
承受行车荷载较大的竖向力、水平力和冲击力的作用,同时又受降水的侵蚀和温度变化影响
基层是路面结构中的承重层,主要承受车辆荷载的(),并把由面层下传的应力扩散到垫
某项目业主作为采购方与钢材生产厂家签订了物资采购合同,合同中规定供货方负责将钢材
《职业健康安全管理体系》(GB/T28000系列)的五大要素是()。
为了确保使用钢材的质量,专门对该钢材进行了抗拉试验,抗拉试验属于()。
在质量管理体系的系列文件中,()是质量手册的支持文件。
管道与承受附加荷载的动设备连接前,应在自由状态下检验法兰的(),偏差应符合规定要
直接承受()荷载的结构构件中,纵向钢筋不宜采用焊接接头.
某跨度为2m的板,设计混凝土强度等级为C20,其同条件养护的标准立方体试块的抗压
现浇钢筋混凝土楼盖施工中,梁的跨度为6m,板的跨度为4m,当设计无特别要求时,楼
随机试题
下列关于土的组成及力学特性的表述中错误的是( )。[2013年真题] A、土
造成3人以上10人以下死亡,或者10人以上50人以下重伤,或者1000万元以上5
某公司出口一批法定检验的货物,以下表述正确的有()。
下列各项中,属于非正常停工的是( )。
端子箱端子排正.负电源之间及正电源与分(合)闸回路之间是否以()隔开
腹腔内空腔脏器破裂的临床表现,下列哪项不正确()
患儿,女,10岁。因半年来有时突然终止其正在进行的动作,呼之不应,双眼凝视,有
能阻断胺类亚硝基化的物质。最有效的是( )A.维生素AB.B族维生素C.维生素CD.苏氨酸E.脯氨酸
某大厦建筑总面积8000m2,房地总价值8000万元,其中土地总价值3000万元,若某人拥有该大厦的某一部分,该部分的建筑面积200m2,房地价值215万...
神经衰弱的常见生理症状包括()。A.睡眠障碍而且感到痛苦B.长期睡眠少且精力充沛C.个别内脏功能重度障碍D.个别内脏功能轻度障碍