首页
财务会计
医药卫生
金融经济
考公考编
外语考试
学历提升
职称考试
建筑工程
IT考试
其他
登录
考公考编
B
B
免费考试题库
2020-05-20
5
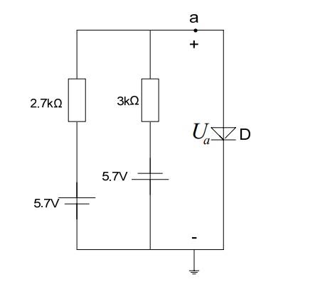
问题
选项
答案
B
解析
[img]/upload/tiku/139/343400_1.jpg[/img]
转载请注明原文地址:https://ti.zuoweng.com/ti/gVeMKKKQ
相关试题推荐
《报检员证》的有效期为2年,期满之日前()天,报检员应向发证检验检疫机构提出审
生产出口危险货物运输包装容器的企业,必须向检验检疫机构申请运输包装容器的()。
从法国进口货物(未使用木质包装),报检时应提供由()出具的《无木质包装声明》。
西安某生产企业出门一批货物,拟由汽车运至青岛通关后海运出口,《出境货物报检单》的
输入动物、动物产品、植物种子及其它繁殖材料,应在()前办理检疫审批手续。
上海发达鞋业公司(自理报检单位备案登记号为3100600522)与美国新网公司签
上海发达鞋业公司(自理报检单位备案登记号为3100600522)与美国新网公司签
上海发达鞋业公司(自理报检单位备案登记号为3100600522)与美国新网公司签
上海发达鞋业公司(自理报检单位备案登记号为3100600522)与美国新网公司签
上海发达鞋业公司(自理报检单位备案登记号为3100600522)与美国新网公司签
随机试题
儿童在观看英雄人物的事迹后,在脑中想象自己也像英雄人物那样表现出某些行为,这种想
水闸闸室沉陷缝的止水材料主要有( )。
下列关于成本预算输出错误的是()。
DJ2经纬仪的数字“2”代表()。
口服阿片类药物中毒应 A.立即用5%碳酸氢钠溶液冲洗后,再用清水冲洗
()等都属于不同感觉器官相互作用形成的错觉。 (A)线条长短的错觉(B)面积大小的错觉 (C)视听错觉(D)形重错觉 (A)线条长短的错觉(...
左边给定的是纸盒的外表面,右边哪一项能由它折叠而成?
乳酸脱氢酶的同工酶有A:2种B:3种C:4种D:5种E:6种
细胞癌基因产物的功能不包括A.提高病毒癌蛋白的转化作用B.作为核内转录因子增加细胞周期相关蛋白的转录效率C.模拟生长因子受体开放状态,在没有生长因子的条件下
提升高度()m及以上附着式整体或分片提升脚手架工程专项施工方案需要进行专家论证。A.50B.100C.150D.180