首页
财务会计
医药卫生
金融经济
考公考编
外语考试
学历提升
职称考试
建筑工程
IT考试
其他
登录
财务会计
A
A
昕玥
2019-12-17
5
问题
选项
答案
A
解析
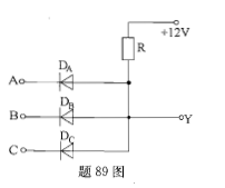
[img]/upload/tiku/190/5025349_1.png[/img]
转载请注明原文地址:https://ti.zuoweng.com/ti/jzElKKKQ
相关试题推荐
助航灯光计算机监控系统对( )光强等级进行监控。
目视助航灯光安装工程质量的评定标准包括( )工程质量评定标准等。
航站楼各类信息系统工程中,网络部分硬件检测验收的主要内容有( )。
飞机在进近着陆过程中,需要从仪表着陆系统(ILS)中获取( )信息。
机场建设工程总概算中工程建设其他费用包括( )。
在选择滑行道桥灌注桩基础施工的清孔方法时,应考虑( )等因素。
在机场场道工程施工中,常用的挖土机械有( )。
对于采用集中控制模式的航站楼闭路电视监控系统,其前端设备的控制优先级分配方式有:
航站楼广播系统具有多个广播声源,其中( )声源的播放优先级最高。
雷达天线的馈线进入机房处应设置(),以防感应雷侵入。
随机试题
某砌体房屋,顶层端部窗洞口处立面如图所示,窗洞宽l.5m,现浇钢筋混凝土屋面板。
共用题干 某地级市位于沿海低氟区,有人口25万,20年来龋齿患病水平呈上升趋势
关于超抗原的性质,哪项错误 A无严格的MHC限制性 B无需APC加工可直接
男,54岁。溃疡病史20余年,近一月出现明显消痩。诊断为胃癌。经充分术前准备,拟行胃大部切除术。 若病人手术后5?7天突然出现急性腹膜炎的症状和体征,应考虑
丹瑟洛的MURDER学习策略中M代表()A.情绪的调整和维持B.理解C.消化和细述D.复习和检查
“落雁”指的是我国古代四大美女中的( )。A、西施B、貂蝉C、王昭君D、杨玉环
合规培训与教育的组织方式包括()。A.计算机或网络培训B.电话会议培训C.视频D.案例研究E.内部交流
任务中心模式强调把( )等因素融合到任务中。A.服务对象解决这个问题的能力B.社会工作者的能力C.社会工作者的意愿D.服务对象的意愿E.服务对象的问题
按照通货膨胀的表现状态,可将通货膨胀分为()A.开放型通货澎张B.需求拉上型通货膨胀C.成本推进型通货膨胀D.抑制些通货嘭张E.经济结构型通货膨
商业汇票的收款人或是持票人向付款人提示付款时,应在汇票背面记载()字样。A:“承兑”B:“委托收款”C:“背书”D:“收妥后抵用”