首页
财务会计
医药卫生
金融经济
考公考编
外语考试
学历提升
职称考试
建筑工程
IT考试
其他
登录
财务会计
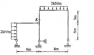
图示结构,截面K弯矩Mk的值(单位:kN ? m)是: A. 36 B.
图示结构,截面K弯矩Mk的值(单位:kN ? m)是: A. 36 B.
shuhaiku
2019-12-17
0
问题
图示结构,截面K弯矩Mk的值(单位:kN ? m)是:
A. 36 B. 48 C. 60 D. 72
选项
答案
D
解析
提示:先求水平反力。
转载请注明原文地址:https://ti.zuoweng.com/ti/tht9KKKQ
相关试题推荐
工程开工前,由()向施工单位进行交桩。
工程开工前,在业主(或监理)主持下,由设计单位向施工单位进行交桩。设计交桩的地点
水利水电工程中金属结构的主要类型包括()。
喷浆修补法,按其结构特点,又可分为()。
配置在同一截面内的受力钢筋,焊接接头在受弯构件的受拉区,()。
只起加固连接作用,不承担结构应力的金属网叫()。
在大体积混凝土结构中产生裂缝的主要原因往往是由于混凝土的()。
根据《水利工程质量管理规定》,项目法人(建设单位)质量管理的主要内容是()。
由项目法人负责组织有关单位制定处理方案并实施的质量事故是()。
根据《水利水电建设工程验收规程》SL223-2008的有关规定,单位工程按()原
随机试题
案情:鸿捷有限公司成立于2008年3月,从事生物医药研发。公司注册资本为5000
与原发性肝癌的发病有关的是()。
杠杆收购基金的每一笔投资都有其独特|生,但共同点是()。
我国的基本道德规范包括( )。
导致原发性支气管肺癌最重要的病因是
下列关于曲面方程的结论中,错误的是()。 A.2x2-3y2-z=1表示
切线类技术分析方法中,常见的切线有()。 Ⅰ.压力线 Ⅱ.支撑线 Ⅲ.趋势线 Ⅳ.移动平均线A、Ⅰ.Ⅲ.ⅣB、Ⅱ.Ⅲ.ⅣC、Ⅰ.Ⅱ.ⅢD、Ⅰ.Ⅱ
在斗谱中,密蒙花因不常用,应放在斗架的A:高层B:下层C:右侧D:左侧E:边斗
政府建设行政主管部门质量监督管理的内容包括()。A.监督检查隐蔽工程质量B.执行工程建设强制性标准的情况C.抽查主要建筑材料的质量D.组织工程质量事
单代号网络计划中,工作的自由时差和该工作与其紧后工作之间的时间间隔的关系是()。A.自由时差就等于时间间隔B.自由时差与时间间隔无直接关系C.自由时差等于