首页
财务会计
医药卫生
金融经济
考公考编
外语考试
学历提升
职称考试
建筑工程
IT考试
其他
登录
财务会计
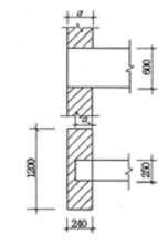
已知外纵墙的窗间墙截面为1200mm×240mm(图),采用蒸压灰砂砖MU10和
已知外纵墙的窗间墙截面为1200mm×240mm(图),采用蒸压灰砂砖MU10和
Freeti
2019-12-17
8
问题
已知外纵墙的窗间墙截面为1200mm×240mm(图),采用蒸压灰砂砖MU10和M5的混合砂浆砌筑,钢筋混凝土大梁截面尺寸 b×h=250mm×600mm,在梁端设置650mm×240mm×240mm预制垫块。由荷载设计值所产生的支座反力80kN,上部传来作用在梁底窗间墙截面上荷载设计值为50kN。
垫块外砌体面积的有利影响系数γ1最接近于( )。
选项
A..1.01B..1.04C..1.12D..1.29
答案
B
解析
[img]/upload/tiku/213/9404658_1.gif[/img]
转载请注明原文地址:https://ti.zuoweng.com/ti/xet9KKKQ
相关试题推荐
蒸压加气混凝土砌块砌筑施工时,砌块含水率合适的是()。
蒸压加气混凝土砌块砌体采用加气混凝土砌块砌筑砂浆时,水平灰缝厚度和竖向灰缝宽度不
蒸压加气混凝土砌块通常也可用于()建筑的承重墙。
某无吊车单跨单层砌体仓库的无壁柱山墙,如图所示,横墙承重,房屋山墙两侧均有外纵墙
某配筋砌块砌体剪力墙房屋,房屋高度22m,抗震设防烈度为8度。首层剪力墙截面尺寸
某五层烧结普通砖房办公楼,装配式钢筋混凝土楼盖,平面如图所示,外纵墙、山墙为36
某三层端部墙窗洞处立面如图所示,窗洞宽1.20m,外纵墙上搁置长向板。板底距离上
某三层端部墙窗洞处立面如图所示,窗洞宽1.20m,外纵墙上搁置长向板。板底距离上
一砖拱端部窗间墙宽度600mm,墙厚240mm,采用MU10级烧结普通砖和M7.
某配筋砌块砌体剪力墙房屋,房屋高度22m,抗震设防烈度为8度。首层剪力墙截面尺寸
随机试题
已知甲企业是我国的居民企业。根据企业所得税法律制度的规定,甲企业取得的下列收入中
统计行政规章是指国务院各部委和具有行政管理权的国务院直属机构制定的统计行政规章。
拥有二次点价权的一方在第一次点价后,必须行使另一次点价权。( )
对伤口湿热敷,最需要注意的问题是
甲公司在办公家具、手推车、摇椅上注册了“永流”商标。2019年9月11日,甲公司向商标局提交注销申请书,申请注销“永流”商标在手推车上的注册。同日,商标局...
规定商业银行合规风险管理的基本方针和指导思想是()。A.合规制度B.合规体系C.合规法律D.合规政策
少数人服用苯巴比妥引起兴奋、躁狂,这种现象属于A:药物不良反应B:药物停药效应C:药物变态反应D:特异质反应E:药物毒性作用
潜伏期延长A从规律宫缩开始,经16小时宫口扩张至2cmB初产妇宫口开全2小时尚未分娩C宫口在开至5cm后,2小时仍5cmD8小时前宫口扩张3cm
黄连配伍吴茱萸的意义在于A:既清热泻火燥湿B:又疏肝和胃制酸C:用于湿热黄疸效佳D:治阴虚火旺效佳E:用于肝火犯胃、湿热中阻之呕吐反酸
我国出口贸易实践中,当采用CIF条件和信用证支付方式时,出口合同履行中最重要的四个环节是()。A:货、证、运、款B:货、证、运、险C:货、运、险、款D:证