首页
财务会计
医药卫生
金融经济
考公考编
外语考试
学历提升
职称考试
建筑工程
IT考试
其他
登录
财务会计
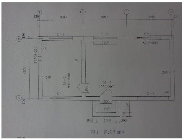
某单层建筑物平面图如图1所示,屋面板顶标高为2.2m,砖墙厚240mm,屋面板厚
某单层建筑物平面图如图1所示,屋面板顶标高为2.2m,砖墙厚240mm,屋面板厚
tikufree
2019-12-17
15
问题
某单层建筑物平面图如图1所示,屋面板顶标高为2.2m,砖墙厚240mm,屋面板厚100mm,无女儿墙,台阶上方有伸出外墙面1.5m的雨篷,其水平投影面积为2.8m2。外墙圈梁横断面尺寸为240mm×300mm,窗C-1为1500mm×1800mm,门M-1为1000mm×2000mm、M-2为900mm×2000mm,地面采用水泥砂浆整体面层,室内有150mm高水泥砂浆踢脚线。
1 、计算该建筑物的建筑面积。 2 、计算圈梁混凝土及外墙工程量。 3 、计算地面及踢脚线工程量。
选项
答案
解析
1 、 (4+0.24)×(3+3+3+0.24)=39.18(㎡) 2 、 (1)圈梁混凝土工程量①外墙中心线长=(4十9)×2=26(m) ②圈梁混凝土工程量=26×0.24×0.3=1.87(m3) (2)外墙工程量①外墙高度=2.2-0.1=2.1(m) ②扣除的门窗洞口面积=1×2十5×1.5×1.8=15.50(m2) ③外墙工程量=(26×2.1-15.5)×0.24-1.87=7.51(m3) 3 、 ①地面工程量=(4-0.24)×(9-0.24×2)=32.04(m2) ②踢脚线工程量=(4-0.24)×4十(9-0.24×2)×2=32.08(m)
转载请注明原文地址:https://ti.zuoweng.com/ti/FWfNKKKQ
相关试题推荐
月经不调患者基础体温如图1,应给治疗是 A雌-孕激素序贯疗法 B低温
造成建筑物价值损耗的主要因素有()。 A.物质因素B.功能因素 C.化学
高低联跨的建筑物其高低跨内部连通时,()应计算在低跨面积内。 A.沉降缝B
观察法的基本做法是,一般依据评估对象的实际技术情况,对照不同结构建筑物损耗率的评
对已有建筑物或构筑物,通常用()进行地基承载力的检测。 A.标准贯入试验法
建筑物雨篷结构的外边线至外墙结构外边线的宽度超过2.1m者,应()计算建筑面
某建筑物的重置价格为200万元,经济耐用年限为50年,已使用年限为10年。根据评
在建筑物的损耗率计算过程中,()的费用应分别计算。 A.主体B.防水材料
在评价工业建筑时,要计算厂区内建筑物、构筑物和各种露天仓库及堆场、操作场等的占
按照《建筑工程建筑面积计算规范》的规定,建筑物内的管道井应()计算建筑面积。
随机试题
一手个人住房贷款,借款人用所购房屋作抵押,在借款人购买的房屋办好抵押登记之前,由
某超市准备在五一组织促销活动,原计划由80名员用5天时间准备此次活动,现需要
某男,34岁。脓涕量多,颜色黄绿,有腥臭味,鼻塞,伴有口苦,咽干,治宜选用的方剂
Youcansleeponthecouchinthelounge
下列物业经营管理的内容中,以运行管理为主的是()。
《资治通鉴》成书于()。
作为教师,不一定要有明确的教育目的,但必须要有明确的教学目标。
1970~1974年,英国医生中每年的肺癌死亡率如下:重度吸烟者为160/10万
治疗胃火上炎所致的齿痛,口疮首选的是A.丹参B.红花C.益母草D.郁金E.牛膝
某地区汽车生产工人工资率从每小时30元上升到33元,该地区汽车制造商对汽车生产工人的劳动力需求将会从原来的10000人减少到8000人,则该地区汽车生产工...