首页
财务会计
医药卫生
金融经济
考公考编
外语考试
学历提升
职称考试
建筑工程
IT考试
其他
登录
财务会计
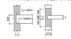
某窗间墙尺寸为1200mm×370mm,如图4-2所示,采用MU10砖和M2.5
某窗间墙尺寸为1200mm×370mm,如图4-2所示,采用MU10砖和M2.5
书海库
2019-12-17
12
问题
某窗间墙尺寸为1200mm×370mm,如图4-2所示,采用MU10砖和M2.5的混合砂浆砌筑。已知大梁截面尺寸为b×h=200mm×550mm,跨度5m,支承长度a=240mm,梁端荷载设计值产生的支承压力付Nl=240kN,梁底墙体截面处的上部设计荷载为N0=50kN。
假定a0=142.88mm,梁端支承处砌体的局部受压承载力(KN)与( )项数值最为接近。
选项
A..78.87B..63.21C..59.87D..52.8
答案
D
解析
[img]/upload/tiku/213/9404635_1.gif[/img]
转载请注明原文地址:https://ti.zuoweng.com/ti/0et9KKKQ
相关试题推荐
按照归档文件的质量要求,竣工图章尺寸为()。
施工现场文明施工要求工地按照相关文件规定的尺寸和规格制作的“五牌一图”包括()等
某一结构构件截面尺寸不足,影响承载力,但按实际情况进行复核验算后仍能满足设计要求
施工现场文明施工要求工地按照相关文件规定的尺寸和规格制作的“五牌一图”,不包括(
按照文明工地标准及相关文件规定的尺寸和规格制作了各类工程标志牌,应当包括工程概况
对大理石板拼缝尺寸与超差数量、摊铺沥青拌合料的温度等进行的检查,属于施工质量控制
某工程进行检验批验收付时,发现某框架梁截面尺寸与原设计图纸尺寸不符,但经原设计单
某建设工程的施工网络计划如图所示(时间单位:天),则该计划的关键线路有()。
某双代号网络计划如图所示(时间单位:d),则该计划的关键线路是()。
烧结普通砖和毛石砌筑而成的基础特点有()。
随机试题
患者女,29岁。全身躯干、会阴、下肢深Ⅱ度烧伤入院,为防止休克,可输入()。
导致前牙开最常见的原因是
容积率是控制性详细规划的重要指标之一,既是国有土地使用权出让合同中必须规定的(
《大清民律草案》的结构顺序为( )。 A.总则、债权、物权、亲属、继承 B
应用破伤风抗毒素的目的是()。A.杀死破伤风梭状芽胞杆菌B.中和血液中的游离毒素C.抑制破伤风梭状芽胞杆菌生长D.中和与神经结合的毒素E.清除毒素
对水盐代谢影响最大的药物是A.醛固酮B.氢化可的松C.泼尼松D.地塞米松E.氟轻松
建设工程施工质量的事后控制是指()。A.质量活动的检查和监控、B.质量活动结果的评价和认定C.质量活动的行为约束D.质量偏差的纠正E.已完施工的成品保
一般资料:求助者,女性,44岁,公务员。 案例介绍:求助者因孩子的问题来咨询。 下面是心理咨询师与求助者之间的一段咨询对话。 心理咨询师:您好!外边...
复式记账就是对任何一笔经济业务都必须以相等金额在两个或两个以上有关账户中相互联系地进行登记。
记账凭证的填制是由______进行的。A.出纳人员B.会计人员C.经办人员D.主管人员