首页
财务会计
医药卫生
金融经济
考公考编
外语考试
学历提升
职称考试
建筑工程
IT考试
其他
登录
建筑工程
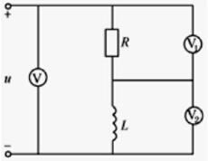
电路如图所示,已知交流电压表V1的读数为3V,V2的读数为4V,则电压表V的读数为()V。 A. -1 B. 1 C. 5 D. 7
电路如图所示,已知交流电压表V1的读数为3V,V2的读数为4V,则电压表V的读数为()V。 A. -1 B. 1 C. 5 D. 7
admin
2020-12-24
12
问题
电路如图所示,已知交流电压表V1的读数为3V,V2的读数为4V,则电压表V的读数为()V。
选项
A. -1
B. 1
C. 5
D. 7
答案
C
解析
R、L电压与总电压组成电压三角形,即
故电压表V的读数为5V。
转载请注明原文地址:https://ti.zuoweng.com/ti/3Zb0KKKQ
相关试题推荐
如题4-221所述,当电机停转后,仍采用能耗制动的方法将阻转矩Tc=0.9TN的重物以200r/min的稳定转速下放时,则电枢电路中串入的电阻为()。 ...
一台并励直流电动机,在电枢电路串电阻调速时,如果电源电压不变,励磁不变,负载转矩不变,则()。 (A)输入功率不变(B)输出功率不变(C)电磁功率不变(...
—台三相4极的感应电动机运行在额定状态,其f=50Hz,nN=1460r/min,转子电阻实际值R2=0.106Ω。在负载转矩不变的情况下,当转子电路中串...
在三相感应电动机的转子电路中串入电抗,则电机的启动转矩将会()。 (A)增大(B)减小(C)不变(D)不确定
三相感应电动机等值电路中的电阻(上消耗的功率为()。 (A)轴上输出机械功率(B)电磁功率(C)输入功率(D)总机械功率
—台绕线式感应电动机,定子绕组通入三相交流电流,旋转磁场逆时针方向旋转,转子绕組开路,此时电动机将会()。 (A)逆时针方向旋转(B)顺时针方向旋转(C...
—台绕线式感应电动机,定子绕组通入三相交流电流,旋转磁场逆时针方向旋转,转子绕組开路,此时电动机将会()。 (A)逆时针方向旋转(B)顺时针方向旋转(C...
一台三相感应电动机的额定电压UN=220V,定子三相绕组为△接法。启动时将定子绕组改为Y接法,并接在380V的交流电源上,则电机的启动电流与接在220V电...
一台绕线型感应电动机,将定子三相绕组短接,转子三相绕组通入三相交流电流,转子旋转磁场逆时针方向旋转,此时电动机将会()。 (A)顺时针方向旋转(B)逆时...
在三相感应电动机的转子电路中串入电抗,则电机的启动转矩将会()。 (A)增大(B)减小(C)不变(D)不确定
随机试题
肾结核的血尿表现为 A、全程血尿 B、间歇性无痛血尿 C、初始血尿
A.大血疱 B.张力性大疱 C.散在小水疱 D.成簇小水疱 E.松弛性大
金银花的来源是
患儿,女,15岁。13岁时初潮,近期开始乏力,头晕,月经量偏多,曾服用中药及铁剂
男,23岁,饮酒后腹部剧烈疼痛,伴呕吐、发热1天就医,化验:白细胞计数增高,血清
公开招标的不足之处,主要有()。
差别比例税率,指一种税设两个或两个以上的比例税率,主要有()。
由病毒刺激人和动物组织细胞产生的一类糖蛋白是A.中和抗体B.干扰素C.CTL细胞D.NK细胞E.巨噬细胞
宜选用塞来昔布治疗的疾病是A.肾绞痛B.痛风C.胃溃疡D.支气管哮喘E.骨关节炎
共用题干 TheToughGrassThatSweetensOurLivesSugarcanewasonceawildgrass...