首页
财务会计
医药卫生
金融经济
考公考编
外语考试
学历提升
职称考试
建筑工程
IT考试
其他
登录
财务会计
图为两块钢板用拼接板连接,采用三面围焊缝,承受静力荷载作用。 2.
图为两块钢板用拼接板连接,采用三面围焊缝,承受静力荷载作用。 2.
恬恬
2019-12-17
13
问题
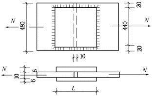
图为两块钢板用拼接板连接,采用三面围焊缝,承受静力荷载作用。
2.构件材料为Q235、钢焊条为E43型。拼接板长度L=300mm;焊脚尺寸hf=6mm,此连接的最大承载力最接近于( )kN。
选项
A.910 B.968 C.1095 D.1111
答案
C
解析
根据《钢结构设计规范》(GB 50017—2003)表3.4.1-3可知,角焊缝强度设计值为:[img]/upload/tiku/213/9404156_1.png[/img]
转载请注明原文地址:https://ti.zuoweng.com/ti/4iq9KKKQ
相关试题推荐
在不良土质路基处理中,按照路基处理的作用机理,可以分为()。
地基处理按作用机理分类可大致分为()。
水泥混凝土路面下设置基层的作用()。
依靠墙体自重抵挡土压力作用的是()挡土墙。
承受行车荷载较大的竖向力、水平力和冲击力的作用,同时又受降水的侵蚀和温度变化影响
起联系各部分和集散交通的作用,并兼有服务功能的城市道路是()。
在行车荷载作用下产生板体作用,抗弯拉强度大、弯沉变形很小的路面是()路面。
沥青在一定温度和外力作用下的变形而不开裂的能力,说明其具有(),以“延度”表示
沥青在一定温度和外力作用下变形又不开裂的能力,说明其具有()。
刚性路面的破坏取决于极限弯拉强度。刚性路面在行车荷载作用下表现出板体作用,(),
随机试题
现阶段电话通信系统安装时,用户交换机至市电信局连接的中继线一般较多选用的线缆类型
包价旅游合同应当采用书面形式,旅行社未与旅游者订立书面合同的,旅游行政主管部门可
欲了解某学校在校生视力减退情况,调查对象是 A.该校所有在校生 B.该校所在
操作风险分为由()所引发的风险。
税法是国家制定的用以调整国家与纳税人之间在征纳税方面的权利及义务关系的法律规范的
简要描述小学生记忆发展的特点。
病人张某在病愈之后,送给医生李某一面锦旗,上书“妙手回春,医德如春”八字,李某倍
图5是某中学七年级一班的全班期末音乐成绩柱状图,关于该图表述正确的是() A.最高分是90分B.该班共有80人C.85分和90分的人数最多D.人数
某男,72岁。畏寒肢冷,面白,神疲乏力,舌淡胖,苔白滑,脉沉迟无力。 若属心阳虚证,最具诊断意义的症状是A.头晕B.健忘C.嗜睡D.自汗E.胸痛
一般情况下,我国行政罚款实行()。A.有据可查B.依法可行C.公开、公正D.裁执分离