首页
财务会计
医药卫生
金融经济
考公考编
外语考试
学历提升
职称考试
建筑工程
IT考试
其他
登录
财务会计
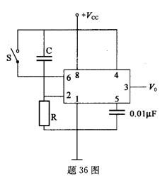
如图所示是用555定时器组成的开机延时电路,若给定C=25μF,R=91KΩ,V
如图所示是用555定时器组成的开机延时电路,若给定C=25μF,R=91KΩ,V
Loveyou
2019-12-17
7
问题
如图所示是用555定时器组成的开机延时电路,若给定C=25μF,R=91KΩ,V∝= 12V,常闭开关S断开以后经过延时间为( )时,V0才能跳变为高电平。
A. 1. 59s B. 2. 5sC. 1. 82s D. 2. 27s
选项
答案
B
解析
解 V0从零电平上升到2/3V∝的时间,即为输出电压U0的脉宽tW,即:tW =1. 1RC=1. 1 X 91 X 103 X 25 X10-6 = 2. 5s答案:B
转载请注明原文地址:https://ti.zuoweng.com/ti/Ab9NKKKQ
相关试题推荐
在图1.1-8电路中,Is=2A,求该独立电流源供出的功率。
基本运算放大器中的\"虚地”概念只在下列哪种电路中存在?(A)比较器(B)差动放
C答:本题目考察的是三相电路功率的测量方法。三相电路的功率测量可以分若干种情况,最基本的原理是正弦稳态电路的功率计算。包括有功功率、无功功率、视在功率、功率三
一个由R=3kΩ、L=4H和C=1μF三个元件相串联的电路。若电路振荡,则
系统如图所示,原来出线1的断路器容量是按一台发电机考虑的,现在又装设一台同样的发
电力系统的部分接线如图所示,各地电网的额定电压示于图中,设变压器T1工作于接+2
由555定时器构成的多谐振荡器如图所示,已知R1=33kΩ,R2=27kΩ,C=
文氏电桥式正弦波发生器电路如图所示,电路的振荡频率f0约为:
图示电路电压u含有基波和三次谐波,基波角频率为104rad/s。若要求u1中不含
在R=6kΩ,L=8H,C=2μF三个元件串联的电路中,电路的暂态属于下列哪种
随机试题
晕厥病人的处理不包括 A.立即停止手术让患者平卧 B.嗅闻刺激性气体 C.
对于入园初期适应困难的孩子,幼儿园教师可以()。
商业银行资产管理理论包括( )。
2015年5月,小王在向该银行的贵宾客户张先生介绍个人情况时,称自己为理财师持证
Cocktailisblendedbymanykindsofwin
男性,28岁。外伤致肱骨中下1/3骨折,伴有桡神经损伤,临床上除骨折体征外,还可
郁证肝气郁结证的最佳选方是
急性病毒性心肌炎早期不主张应用糖皮质激素的理由是A.抑制抗体的产生B.增加病毒的繁殖C.抑制干扰素的合成D.加重心力衰竭E.避免继发感染
维特效应即自杀模仿现象,是指自杀行为具有一定的模仿性和传染性。即在一个团体中,如果成员共同存在某一种情绪(通常是负面的情绪),但缺乏正确的应对手段和宣泄渠...
消防水池及消防水箱的外壁与建筑本体结构墙面或其他池壁之间的净距,要满足有管道的侧面,净距不宜小于(),且管道外壁与建筑本体墙面之间的通道宽度不宜小0.6m。A: