首页
财务会计
医药卫生
金融经济
考公考编
外语考试
学历提升
职称考试
建筑工程
IT考试
其他
登录
财务会计
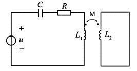
图示电路中,R=2Ω,L1=L2=0.1 mH,C=100μF,要使电路达到临界
图示电路中,R=2Ω,L1=L2=0.1 mH,C=100μF,要使电路达到临界
tikufree
2019-12-17
7
问题
图示电路中,R=2Ω,L1=L2=0.1 mH,C=100μF,要使电路达到临界阻尼情况,则互感值M应为( )。
选项
A. 1mH B. 2mH C. 0mH D. 3mH
答案
C
解析
[img]/upload/tiku/37/5850123_1.jpg[/img]
转载请注明原文地址:https://ti.zuoweng.com/ti/BbUlKKKQ
相关试题推荐
某品牌的新型插座产品中包含防雷击部件,在电路遭到雷击后能保证所连接电器不受损害。
如题图所示电路中,为使输出电压稳定,应该引入下列哪种反馈方式( )。
如题图所示电路中,A为理想运算放大器,三端集成稳压器的2、3端之间的电压用URE
如题图所示电路中,二极管性能理想,则电压UAB为( )。
如题图所示电路中μ=10sin(ωt)V,i=2sin(ωt)A,ω=1000r
在RLC串联电路中,若总电压U、电感电压UL及RC两端的电压URC均为400V,
在R=7kΩ、L=4.23H、C=0.47μF三个元件串联的电路中,电路的暂态属
如题图所示正弦交流电路中,已知电源电压有效值U=100V,角频率为ω,电流有效值
如题图所示正弦稳态电路发生谐振时,电流表A1的读数为12A,电流表A2的读数为2
如题图所示电路中,若u=0.5V,i=1A,则is为( )。
随机试题
上下牙咬合时,牙周组织所承受实际咀嚼力量称为 A、(牙合)力 B、咀嚼效率
甲公司只生产一种产品,变动成本率为40%,盈亏临界点作业率为70%。甲公司的销售
某发行人拟于2008年对同一控制人控制下的其他企业甲、乙、丙、丁进行重组后申请I
股利的支付能减少管理层可支配的自由现金流量,在一定程度上抑制管理层的过度投资或在
从信息论的观点看,神经纤维所传导的信号是
患者眩晕耳鸣,头痛且胀,面色潮红,急躁易怒,少寐多梦,目赤口苦,便干溲赤,舌苔黄
男性,50岁,间歇性便血10余年,近1个月持续便血,量多,常呈喷射状,感头晕,肛
武汉理工大学华夏学院大二学生刘普林两年来替母扫街,他的事迹经报道后在社会上引发了强烈反响。2月7日,华夏学院召开专题会议,院党委授予刘普林“爱老孝亲自强不...
下列关于我国经济增长方式选择应遵循的原则说法错误的是()。A.有利于持续、协调的经济增长B.有利于投入、产出效益的提高C.有利于降低投资成本D.有利于满
提取有效成分遇热不稳定或含有大量淀粉等多糖中药成分时采用A.浸渍法B.渗漉法C.煎煮法D.回流法E.沙氏或索氏提取法