首页
财务会计
医药卫生
金融经济
考公考编
外语考试
学历提升
职称考试
建筑工程
IT考试
其他
登录
财务会计
某大城市郊区某28层的高层建筑,如图所示。地面以上高度为90m,平面为一外径26
某大城市郊区某28层的高层建筑,如图所示。地面以上高度为90m,平面为一外径26
书海库
2019-12-17
5
问题
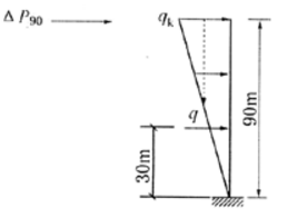
某大城市郊区某28层的高层建筑,如图所示。地面以上高度为90m,平面为一外径26m的圆形。基本风压数值为0.50kN/m2,风荷载体型系数为0.8。
已知作用于90m高度屋面处的风荷载标准值wk=1.50kN/m2,作用于90m高度屋面处的突出屋面小塔楼风荷载标准值△P90=600kN。假定风荷载沿高度呈倒三角形分布,地面处为0,如图所示。则在高度z=30m处风荷载产生的倾覆力矩设计值最接近于( )kN·m。
选项
A. 924.20B. 78988C. 126840D. 152334
答案
C
解析
[img]/upload/tiku/214/6911419_1.gif[/img]
转载请注明原文地址:https://ti.zuoweng.com/ti/JB8sKKKQ
相关试题推荐
当测量区域的半径小于5公里时,可将地面视作水平面。()
图示质量为m的三角形物块,其倾斜角为θ,可在光滑的水平地面上运动。质量为m的矩形
货币型理财产品是投资于货币市场的银行理财产品。这些金融工具的市场价格与利率高度相
支承屋面梁的柱牛腿,如图所示,宽度b=400mm,屋架在牛腿上的支承长度为200
某一设有吊车的钢筋混凝土单层厂房,下柱长He=11.5m。上下柱的截面尺寸如图
某预制的钢筋混凝土简支空心板,截面形状尺寸如图所示。混凝土强度等级为C30,钢筋
钢筋混凝土T形截面构件如图所示,b=250mm,h=500rmn,b\'f=400
若已知次梁的计算跨度l0=6m,间距为2.4m,净距sn=2.2m,如图
该柱在某荷载组合下,其正截面受压承载力计算中,受压区高度x=290mm,
有一无吊车工业厂房,采用刚性屋盖,其铰接排架结构计算简图如图所示。结构安全等级为
随机试题
适用于在幼儿园、医院、养老院等场所,保护幼儿或行动不便的老弱病残者人身安全的灭火
18F-FDGPET显像临床应用,下列哪项正确 A.用于癫痫的诊断与疗效观察
血流加速度时间是指 A.血流从低值起始到结束的时间 B.血流从零值到峰值的时
患者,女,15岁,因左侧面下部肿胀1周入院,临床检查见左侧下颌第一前磨牙缺失,余
在当地旅游期间,如果旅游者提出自费观赏或参加某项文娱活动的要求,地陪一般应()。
评估专业人员使用直接估算法对收益额进行预测,对于收入增长的无形资产,在其销售量不
其他条件相同的情况下,以外币计价的债券风险高于以本币计价的债券风险,是由于(
流通业态与商圈的大小有直接关系。从城市构造上看,百货公司的商圈一般为()公里。
上述哪项是枳实消痞丸的组成部分
臭氧层被称为“地球上生物的保护伞”。以下有关大气臭氧层的说法正确的是() A.能大量反射太阳辐射中的紫外线,所以那里气温低 B.能散射阳光中的紫外...