首页
财务会计
医药卫生
金融经济
考公考编
外语考试
学历提升
职称考试
建筑工程
IT考试
其他
登录
财务会计
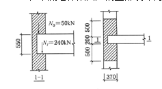
某窗间墙尺寸为1200mm×370mm,如图4-2所示,采用MU10砖和M2.5
某窗间墙尺寸为1200mm×370mm,如图4-2所示,采用MU10砖和M2.5
恬恬
2019-12-17
7
问题
某窗间墙尺寸为1200mm×370mm,如图4-2所示,采用MU10砖和M2.5的混合砂浆砌筑。已知大梁截面尺寸为b×h=200mm×550mm,跨度5m,支承长度a=240mm,梁端荷载设计值产生的支承压力付Nl=240kN,梁底墙体截面处的上部设计荷载为N0=50kN。
已知底层的顶端截面作用有轴向力N0=350kN,作用于壁柱形心,梁端支承压力为75kN,梁端无垫块时,底层顶端的弯矩最接近于( )kN·m。
选项
A..9.36B..11.5C..16.1D..18.32
答案
B
解析
[img]/upload/tiku/213/9404644_1.gif[/img]
转载请注明原文地址:https://ti.zuoweng.com/ti/Met9KKKQ
相关试题推荐
工程测量记录是在施工过程中形成的确保建设工程定位、尺寸、标高、位置和沉降量等满足
按照归档文件的质量要求,竣工图章尺寸为()。
施工文件立卷时,案卷卷盒的外表尺寸为()。
某一结构构件截面尺寸不足,影响承载力,但按实际情况进行复核验算后仍能满足设计要求
施工现场文明施工要求工地按照相关文件规定的尺寸和规格制作的“五牌一图”,不包括(
施工现场文明施工要求工地按照相关文件规定的尺寸和规格制作“五牌一图”,下列不属于
按照文明工地标准及相关文件规定的尺寸和规格制作了各类工程标志牌,应当包括工程概况
对大理石板拼缝尺寸与超差数量、摊铺沥青拌合料的温度等进行的检查,属于施工质量控制
某建设工程的施工网络计划如图所示(时间单位:天),则该计划的关键线路有()。
某双代号网络计划如图所示(时间单位:d),则该计划的关键线路是()。
随机试题
空气中有害物质的存在状态不一样,有的以气体或蒸气逸散于空气中;有的以液体或固体颗
关于货币政策操作目标的说法,正确的是()
产地加工时,将药材烘焙至内部变黑,捏成团块,晒干的是
某公司向银行借款2000万元,年利率为8%,筹资费率为0.5%,该公司适用的所
在图示结构中,己知AB=AC=2r,物重Fp,其余自重不计,则支座A的约束力为(
对于献血者的叙述,错误的是( )。
物价水平和社会商品可供量同货币需求成( );货币流通速度同货币需求成( )。
对县城关镇区总体规划主要内容,叙述错误的是( )。
基金半年度报告的披露时间为上半年结束之日起()曰内。 A.15B.30
付款条件只取决于市场供求方面,如果货品供不应求,供货商大多要求预付货款或现货交