首页
财务会计
医药卫生
金融经济
考公考编
外语考试
学历提升
职称考试
建筑工程
IT考试
其他
登录
财务会计
某简支吊车梁,跨度12m,钢材为Q345钢,焊条为E50系列,承受两台75/20
某简支吊车梁,跨度12m,钢材为Q345钢,焊条为E50系列,承受两台75/20
恬恬
2019-12-17
17
问题
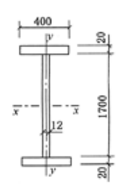
某简支吊车梁,跨度12m,钢材为Q345钢,焊条为E50系列,承受两台75/20t重级工作制桥式吊车。吊车梁截面如图所示,Ix=1674660cm6,采用QU100钢轨,轨高15cm,与受压翼缘牢固连接。
已知梁最大轮压标准值P=312kN,则梁局部压应力σc最接近的数值为( )N/mm2。
选项
A. 88B. 102C. 120D. 137
答案
C
解析
[img]/upload/tiku/213/9404176_1.gif[/img]
转载请注明原文地址:https://ti.zuoweng.com/ti/eIq9KKKQ
相关试题推荐
承受行车荷载较大的竖向力、水平力和冲击力的作用,同时又受降水的侵蚀和温度变化影响
基层是路面结构中的承重层,主要承受车辆荷载的(),并把由面层下传的应力扩散到垫
某项目业主作为采购方与钢材生产厂家签订了物资采购合同,合同中规定供货方负责将钢材
某项目业主作为采购方与钢材生产厂家签订了物资采购合同,合同中规定供货方负责将钢材
《职业健康安全管理体系》(GB/T28000系列)的五大要素是()。
在质量管理体系的系列文件中,()是质量手册的支持文件。
管道与承受附加荷载的动设备连接前,应在自由状态下检验法兰的(),偏差应符合规定要
进口钢材应符合()和设计的要求。
其跨度为2m的板,设计混凝土强度等级为C30,则拆模时同条件养护的标准立方体试块
现浇钢筋混凝土楼盖施工中,梁的跨度为6m,板的跨度为4m,当设计无特别要求时,楼
随机试题
子宫脱垂最主要的病因是 A.圆韧带松弛 B.长期腹压升高 C.分娩损伤
根据《水利水电工程施工组织设计规范》(SL303-2017),生产能力为75m3
根据《国务院关于建立完善守信联合激励和失信联合惩戒制度加快推进社会诚信建设的指导
小红怀疑同桌小刚偷了它新买的文具盒,并且报告了老师,老师让班干部搜查小刚的书包和
与光导纤维制造的光纤相比,由多成分玻璃纤维制成的光导纤维()。
以下关于下部结构,描述错误的是()A.桥墩和桥台,包括墩台身和墩台帽等工程内容,通常称为下部构造B.重力式墩台的主要特点是靠自身重量来平衡外力而保持其稳
我国货币政策的最终目标和国民经济发展的总目标是相同的。
以下属于元认知计划策略的是()。A.设置学习目标B.对材料进行自我提问C.测验先做简单题目D.考试时监视自己速度和时间
目前,股权投资机构投资产品趋向()。A、分级化B、单一化C、集中化D、多元化
解决国际重复征税的方法有()。A.低税法B.免税法C.扣除法D.抵免法E.抵消法