首页
财务会计
医药卫生
金融经济
考公考编
外语考试
学历提升
职称考试
建筑工程
IT考试
其他
登录
财务会计
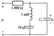
如题图所示电路中电压含有基波和三次谐波,基波角频率为104rad/s。若要求u1
如题图所示电路中电压含有基波和三次谐波,基波角频率为104rad/s。若要求u1
Loveyou
2019-12-17
8
问题
如题图所示电路中电压含有基波和三次谐波,基波角频率为104rad/s。若要求u1中不含基波分量而将其中的三次谐波分量全部取出,则C1应为下列何值?( )
选项
A. 2.5uF B. 1.25uF C. 5uF D. 10uF
答案
B
解析
u1中只含有基波分量,这说明在三次谐波分量的作用下并联支路发生了谐振,阻抗为无穷大,已知:[img]/upload/tiku/37/5850358_1.png[/img]则:[img]/upload/tiku/37/5850358_1_1.png[/img]C1=1.25μF。
转载请注明原文地址:https://ti.zuoweng.com/ti/haqlKKKQ
相关试题推荐
“要尽量多地要求一个人,也要尽可能地尊重一个人。”这句话出自()
阅读下面的材料,根据要求作文。 美国华盛顿儿童博物馆墙上有句格言:“我听见了就
阅读下面的文章,按要求回答问题。 语文天生浪漫(节选) 熊芳芳 让我们再次
教师要具有符合时代特征的学生观。这就要求教师正确理解学生全面发展与个性发展的关系
请以“师道在勤”为题,写一篇论述文。 要求:观点明确,论述具体,条理清晰,语言
阅读下面的文章,按要求回答问题。 那一扇门 周海亮 少年只有16岁。之前他
请以“教育从心开始”为题,写一篇议论文。 要求:观点明确,分析具体,条理清晰,
若要求专题地理信息数据与基础地理信息数据能重叠显示,两者的()必须保持一致。
现行规范规定,同比例尺、不同地形类别空三加密网接边工作中,接边差满足要求后,最终
一等三角点测量中,要求日夜观测时段数要符合一定的比例,其主要目的是消弱(
随机试题
肾气丸、右归丸、地黄饮子三方组成中均含有的药物是 A.山茱萸泽泻山药熟地
社会评价的目的包括()。 A.了解项目运行可能带来的社会问题 B.保证
为减弱压缩机排气的周期性脉动,稳定管网压力,同时可进一步分离空气中的油和水分,通
下列关于“荷兰式”与“美国式”招标方式的说法中,正确的有()。 Ⅰ.荷兰式招
2009-9.水谷精气与清气相结合,关系到 A.宗气的生成B.卫气的生成
清暑益气汤的功用是A:清暑益气,养阴生津B:清暑除烦,益气和胃C:清暑利湿,益气和胃D:清暑益气,和胃止呕E:益气养阴,清透暑热
所有游离香豆素均可溶于热的氢氧化钠溶液,是由于其结构中存在A:甲氧基B:羟基C:内酯环D:醛基E:酚羟基
某健康女士,28岁,已婚未育,月经正常,有关其子宫的描述不正确的是()。A.子宫长7~8cmB.子宫体表面结节感C.子宫容积约为5mlD.子宫活动无
在施工准备的质量控制工作中,属于技术准备质量控制工作内容的有( )。A.做好设计交底和图纸会审B.进行工程项目划分和编号C.编制施工作业技术指导书
某公司原有资产1000万元,其中长期债券400万元,筹资费用率2%,票面利率9%;普通股600万元,每股市价为20元,每股筹资费用率为2.5%,预计下年...