首页
财务会计
医药卫生
金融经济
考公考编
外语考试
学历提升
职称考试
建筑工程
IT考试
其他
登录
财务会计
某工程采用打入式钢筋混凝土预制方桩,桩截面边长为400mm,单桩竖向抗压承载力特
某工程采用打入式钢筋混凝土预制方桩,桩截面边长为400mm,单桩竖向抗压承载力特
Loveyou
2019-12-17
10
问题
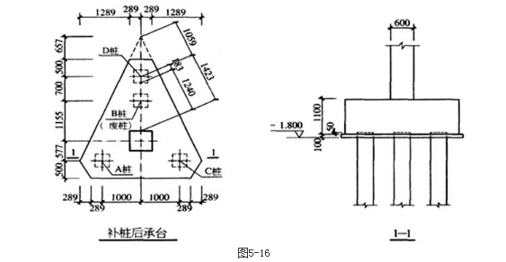
某工程采用打入式钢筋混凝土预制方桩,桩截面边长为400mm,单桩竖向抗压承载力特征值Ra=750kN。某柱下原设计布置A、B、C三桩,工程桩施工完毕后,检测发现B桩有严重缺陷,按废桩处理(桩顶与承台始终保持脱开状态),需要补打D桩,补桩后的桩基承台如图5-16所示。承台高度为1100mm,混凝土强度等级为C35(ft=1.57 N/mm2),柱截面尺寸为600mm×600mm。提示:按《建筑桩基技术规范》(JGJ 94—2008)作答,承台的有效高度h0按1050mm取用。
假定,柱只受轴心荷载作用,相应于荷载效应标准组合时,原设计单桩承担的竖向压力均为745kN,假定承台尺寸变化引起的承台及其上覆土重量和基底竖向力合力作用点的变化可忽略不计。试问,补桩后此三桩承台下单桩承担的最大竖向压力值(kN)与下述何项最为接近?( )
选项
A.750B.790C.850D.900
答案
C
解析
[img]/upload/tiku/213/9405147_1.png[/img]
转载请注明原文地址:https://ti.zuoweng.com/ti/wst9KKKQ
相关试题推荐
根据《城镇供热管网工程施工及验收规范》CJJ28-2004的要求,单项工程验收中
关于城市热力管道工程沟槽开挖质量的说法,符合规范的有()。
钢筋混凝土结构所用钢筋的()等均应符合设计要求和现行国家标准。
质量保证计划实施的目的是确保施工质量满足工程()的要求。
常用的表达工程进度计划方法有()。
施工现场的进口处应有“五牌一图”:工程概况牌、施工总平面图以及()。
在开工前需要进行专家论证的工程有()。
城市公共广场工程包括()的建设与维修工程。
城市桥梁工程包括()的建设、养护与维修工程。
根据市政公用工程注册建造师执业工程范围,城市公共广场工程包括()工程。
随机试题
如下化学结构的药物是 A、奥卡西平 B、硫喷妥 C、艾司唑仑 D、佐匹克
下列哪个病证应采取\"缓则治其本\"的治则 A.蛔厥证 B.食积 C.外感咳嗽
区别常形与变形心理冲突最主要的依据之一是( )。 A.心理冲突持续的时间
某工程双代号时标网络计划,在第5天末进行检查得到的实际进度前锋线如下图所示,
下列收费子系统组成设备中,不属于车牌自动识别装置组成部分的是()。2015年
哪一种胆红素可能会出现在尿中( )A.结合胆红素B.未结合胆红素C.血胆红素D.清蛋白-胆红素E.间接胆红素
舌杆到龈缘的距离A.0.3?0.4mmB.3?4mmC.4?5mmD.6mmE.7mm以下
工作流程图是一种组织工具,下列不正确的是()。A、图中用矩形框表示各项工作B、图中用单箭线表示各项工作之间的逻辑关系C、图中用矩形框也可以表示判别条件
根据《房屋建筑与装饰工程工程量计算规范》GB?50854—2013,某墙基础采用有梁式带形混凝土垫层,垫层宽1300mm,墙中心线为50m,墙厚240mm...
工程项目施工合同以付款方式划分为:①总价合同;②单价合同;③成本加酬金合同三种。以承包人所承担的风险从小到大的顺序来排列,正确的是()。A.①-②-③B.①-