首页
财务会计
医药卫生
金融经济
考公考编
外语考试
学历提升
职称考试
建筑工程
IT考试
其他
登录
财务会计
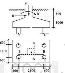
某500mm×500mm方柱下设4根桩,桩的平面布置及承台尺寸如图所示。相应于荷
某500mm×500mm方柱下设4根桩,桩的平面布置及承台尺寸如图所示。相应于荷
Loveyou
2019-12-17
7
问题
某500mm×500mm方柱下设4根桩,桩的平面布置及承台尺寸如图所示。相应于荷载效应基本组合时作用于承台顶面的荷载为 F=2000kN M=200 k·m H=100kN按《建筑地基基础设计规范》(GB 50007—2002)确定作用在承台A-A及B-B截面上的弯矩,其值分别为( )。
选项
A.914kN·m,680kN·mB.914kN·m,650kN·mC.900kN·m,680kN·mD.900kN·m,650kN·m
答案
B
解析
[img]/upload/tiku/191/6911052_1.gif[/img]作用在A-A截面上的弯矩为MA=571.43×(1.05-0.25)×2=914.3kN·m作用在B-B截面上的弯矩为MB=(57143+428.57)×(0.9-0.25)=650kN·m
转载请注明原文地址:https://ti.zuoweng.com/ti/9U8sKKKQ
相关试题推荐
茎方柱形,叶形多种;叶片灰绿色的是
当构件截面尺寸和材料强度相同时,钢筋混凝土受弯构件正截面承载力Mu与纵向受拉钢筋
两孔口形状、尺寸相同,一个是自由出流,出流流量为Q;另一个是淹没出流,出流流量为
证券市场线(SM1)是以_________和_________为坐标轴的平面中表
甲与乙订立合同,规定甲应于2005年8月1日交货,乙应于同年8月7日付款,7月底
某预制的钢筋混凝土简支空心板,截面形状尺寸如图所示。混凝土强度等级为C30,钢筋
某无梁楼盖柱网尺寸为6m×6m,柱截面尺寸为450mm×450mm,楼板厚200
支承屋面梁的柱牛腿,如图所示,宽度b=400mm,屋架在牛腿上的支承长度为200
某无梁楼盖柱网尺寸为6m×6m,柱截面尺寸为450mm×450mm,楼板厚200
某一设有吊车的钢筋混凝土单层厂房,下柱长He=11.5m。上下柱的截面尺寸如图
随机试题
关于建筑安装工程费用中建筑业增值税的计算,下列说法中正确的是( )。 A、当事
买材料验收入库,银行付款一部分,另外一部分暂欠,应填制( )。 A、收款凭证
某市汽车制造企业为增值税一般纳税人,2019年1月份和2月份的生产经营情况如下:
男,20岁。恶心、食欲减退1周,伴发热、尿黄2天。实验室检查:AST、T358U
我国“十一五”规划纲要提出,有条件的大城市和城市群地区要把轨道交通作为公共交通发
Thegirlis_____ofafilmstar.AsomebodyBsomethingCanybodyDanyone
业务尽调报告主要包括()。 Ⅰ、企业基本情况、管理团队 Ⅱ、产品/服务、市场 Ⅲ、发展战略、融资运用 Ⅳ、风险分析A、Ⅱ.Ⅲ.ⅣB、Ⅰ.Ⅱ.ⅢC、
西南财经大学发布的《中国家庭收入不平等报告》指出,2010年中国家庭收入的基尼系数为0.61,在全世界处于较高位置。所谓基尼系数,是经济学中用于衡量居民收...
需要在全国范围或者跨省、自治区、直辖市范围内进行群体性预防接种的,应当 A由国务院卫生主管部门决定,并报国务院备案 B由国务院卫生主管部门决定 C...
根据《工程建设国家标准管理办法》的规定,工程建设国家标准属于强制性标准的包括()。A.工程建设勘察、规划、设计、施工(包括安装)及验收等通用的综合标准和重要的通