首页
财务会计
医药卫生
金融经济
考公考编
外语考试
学历提升
职称考试
建筑工程
IT考试
其他
登录
考公考编
在均布荷载作用下,必须按照双向板计算的钢筋混凝土板是:
在均布荷载作用下,必须按照双向板计算的钢筋混凝土板是:
Loveyou
2020-05-20
5
问题
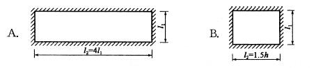
在均布荷载作用下,必须按照双向板计算的钢筋混凝土板是:
选项
答案
B
解析
提示:当四边支承的板,长边与短边之比不大于2. 0时,应按双向板计算。
转载请注明原文地址:https://ti.zuoweng.com/ti/LmCMKKKQ
相关试题推荐
炒莱菔子的临床作用偏于 A涌吐风痰B降气化痰C消食除胀D温
炮制后能缓和燥性和酸性,增强健胃消胀作用的药物是
炒炭后才具有止血作用的是 A槐花B地榆C鸡冠花D荆芥
砂炒时,辅料砂主要是起 A协同作用B中间传热体作用C中和作用D
焦栀子的炮制作用是 A增强泻火除烦的作用 B增强清热利热利湿作用 C
栀子的药理作用有 A抗菌抗炎B抗肿瘤C降血压D镇静镇痛
灶心土的作用不包括 A补脾益肺B稳中和胃C止血D止呕
炮制的目的包括 A降低或消除药物的毒性和副作用 B改变或缓和药物的性能
药物炮制后发生的变化包括 A性味B升降浮沉C归经D作用趋
罗布麻的毒副作用反应表现有 A恶心呕吐B心动过慢C室性早
随机试题
严重的低渗性缺水可补给
面颈部静脉缺乏静脉瓣,临床上对哪种疾病有特殊意义
减水剂防水混凝土的特点是( )。
下列关于股票基金与股票区别的表述,正确的是()。
下列关于客户评级/评分的验证的说法,正确的有( )。
不包括在非贸易性出境的植物或植物产品范围的是( )。 A.作为展出的 B.
学习策略知识不是孤立的,不能脱离专门知识。()
我国电力系统的频率是()Hz。 (A)60(B)50(C)48(D)55
1{pz_填空}是指交往双方出现相互亲近的现象,它以{pz_填空},情感和谐及行动统一为特征。
属于清热通痹剂的是()。A.小活络丸B.独活寄生合剂C.颈复康颗粒D.四妙丸E.香连丸