首页
财务会计
医药卫生
金融经济
考公考编
外语考试
学历提升
职称考试
建筑工程
IT考试
其他
登录
财务会计
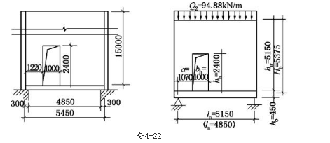
已知柱间基础上的承重墙体高15m,双面抹灰、墙厚240mm,采用Mu10烧结普通
已知柱间基础上的承重墙体高15m,双面抹灰、墙厚240mm,采用Mu10烧结普通
书海库
2019-12-17
14
问题
已知柱间基础上的承重墙体高15m,双面抹灰、墙厚240mm,采用Mu10烧结普通砖,M5混合砂浆砌筑,墙上门洞尺寸如图4-22所示,柱间距6m,基础梁长5.45m,基础梁断面尺寸为b×hb=240mm×450mm,伸入支座0.3m;混凝土为C30,纵筋为HRB335,箍筋为HPB235。
若已知墙梁计算跨度l0=5150mm,则《砌体结构设计规范》(GB 50003—2011)式(7.3.6-1)中,公式右端的值(kN·m)与( )项数值最为接近。
选项
A.63B.69C.75D.80
答案
A
解析
根据《砌体结构设计规范》(GB 50003—2011)第7.3.6条计算如下:托梁自重为:1.2×25×0.24×0.45=3.24kN/m;墙体自重为:1.2×[19×0.24×(15×5.15-1×2.4)]/5.15=79.53kN/m;根据第7.3.4条第1款第3项规定,作用在自承重墙梁的荷载为:Q2=3.24+79.53=82.77kN/m;M2=Q2l02/8=82.77×5.152/8=274.4kN·m;根据式(7.3.6-4)计算,洞口对托梁弯矩的影响系数为:ψM=4.5-10×a/l0=4.5-10×1.07/5.15=2.422;考虑墙梁组合作用的托梁跨中弯矩系数为:αM=0.8ψM(1.7hb/l0-0.03)=0.8×2.442×(1.7×0.45/5.15-0.03)=0.23;则跨中最大弯矩设计值为:Mb=αMM2=0.23×274.4=63.11kN·m。由此可知,A项数值最为接近。
转载请注明原文地址:https://ti.zuoweng.com/ti/Y0t9KKKQ
相关试题推荐
楼板四周除门洞外应做混凝土翻边,高度不应小于(),宽同墙厚,混凝土强度等级不应
多层砖砌体房屋的墙厚240的构造柱构造要求的最小截面为()。
四面开敞的15m单跨敞棚,如图所示,有柱间支撑。承重砖柱截面为490×490(m
已知钢筋混凝土过梁净跨ln=3.0m。过梁上砌体高度1.2m,墙厚190mm,墙
某跨度9m,开间4m的单层单跨砌体结构(见图),总长32m,承重纵墙厚370mm
某跨度9m,开间4m的单层单跨砌体结构(见图),总长32m,承重纵墙厚370mm
已知钢筋混凝土过梁净跨ln=3.0m。过梁上砌体高度1.2m,墙厚190mm,墙
一砖拱端部窗间墙宽度600mm,墙厚240mm,采用MU10级烧结普通砖和M7.
某多层砌体结构承重墙段A,如图所示,两端均设构造柱,墙厚240mm,长度4000
某多层砌体结构承重墙段A,如图所示,两端均设构造柱,墙厚240mm,长度4000
随机试题
中心线经被照体的内侧射向外侧的方向称 A.外内方向 B.后前方向 C.内外
安装带悬臂转动机构的设备,受力后向下倾斜,为补偿受力引起的偏差变化,在安装时应控
依据《煤矿企业安全生产许可证实施办法》的规定,下列关于煤矿企业办理安全生产许可证
表面黄棕色至黑褐色,密被排列整齐叶柄残基及麟片的药材是
关于基金财产保管的基本要求,下列说法正确的有()。
凭证一旦保存,下列选项中,不能修改的有()。
影响变压器的电压调整率的所有可能的因素是()。 (A)漏阻抗和励磁阻抗(B)励磁阻抗和负载大小 (C)负载大小和性质以及励磁阻抗(D)漏阻抗及负载...
眼对物体细小结构的分辨能力称为( )A.明适应B.暗适应C.夜盲症D.视敏度E.视野
不属于施工企业承揽业务不良行为的认定标准有()。A.将承包的工程转包或违法分包的B.不履行保修义务或者拖延履行保修义务的C.以他人名义投标或以其他方式弄虚作
房地产经纪行业管理的专业性主要体现在()。(2011年真题)A.对房地产经纪活动主体实行专业资质、资格管理B.规范房地产经纪收费C.对房地产经纪人员的职