首页
财务会计
医药卫生
金融经济
考公考编
外语考试
学历提升
职称考试
建筑工程
IT考试
其他
登录
财务会计
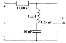
如图所示,若电压, 当发生串联谐振时,u1(t)为( )。
如图所示,若电压, 当发生串联谐振时,u1(t)为( )。
书海库
2019-12-17
12
问题
如图所示,若电压,
当发生串联谐振时,u1(t)为( )。
选项
答案
A
解析
根据图可得:1mH和10μF串联的支路的谐振频率为:[img]/upload/tiku/37/5850541_1.png[/img]1mH和10μF串联支路发生串联谐振,则表明u1中不含10000rad/s分量,因此,[img]/upload/tiku/37/5850541_1_1.png[/img]
转载请注明原文地址:https://ti.zuoweng.com/ti/o8qlKKKQ
相关试题推荐
主要阻滞电压依赖性的钠通道,属于二苯并氮卓类抗癫痫药的是
下列( )方法可以提高线路绝缘子雷击闪络电压。
为了使断路器各断口上的电压分布接近相等,常在断路器多断口上加装( )。
为抑制空载输电线路末端电压升高,常在线路末端( )。
电力系统电压降落和电压损耗的定义分别是( )。
一台三相变压器的联结组为Yd5,其含义表示此时变压器原边的线电压滞后副边对应的线
在RLC串联电路中,若总电压U、电感电压UL及RC两端的电压URC均为400V,
如题图所示,已知三相对称电路的线电压为380V,三相负载消耗的总的有功功率为10
A.20∠-90oA B.∠90oA C.2A D.20AB由于发生并联谐振时XL=XC,即 所以ωC=1Ω,流过电感的电流
如题图所示正弦稳态电路发生谐振时,电流表A1的读数为12A,电流表A2的读数为2
随机试题
下列关于不同类型价值的高低关系的表述中,正确的是()。 A、现状价值可能高于市
(5)能敛肺、涩肠、生津、安蛔,止血的药物是
期货公司不得任用最近3年内因违法违规行为被撤销证券、期货从业资格的人员从事期货业
离下颌管最近的一组牙是
(第五章质量管理) 某电池生产企业对其生产的A、B、C三种电池的生产过程能力
下列各句中有语病的是()。 A.葛振华大学毕业后回农村当起了村支书,他积极寻
老年人服用降压药最佳的时间为()。A.6:00时、13:00时、19:00时B.7:00时、13:00时、20:00时C.8:00时、15:00时、2
酮体利用时所需要的辅助因子是A.VitB1B.NADP+C.辅酶AD.生物素E.VitB6
汇率的标价方法分为()两种。A:直接标价法B:上升标价法C:间接标价法D:下降标价法E:价值标价法
中国证监会为防范市场风险而出台的行政规章和规范性文件包括()。A:《期货交易所管理办法》B:《期货公司管理办法》C:《期货从业人员管理办法》D:《期货市场